Pilot-Operated Inverted Bucket Steam Trap - ER41
We adhere to customer-oriented principles and drive innovation through technology, providing comprehensive services from product selection to technical consultation, helping enterprises enhance steam system efficiency and create greater value.
Detailed Introduction
Inverted Bucket Trap
The interior of the inverted bucket steam trap:this valve adopts the operating principles of density difference between condensate water and steam,and the leverage system connects with inverted bucket to form its internal structure,thus controlling the open and close of the steam pressure.The interior of the inverted bucket steam trap is an inverted bucket,a liquid level sensitive part,with the bucket's opening downward.When the device just started,air and low temperature condensate water occur in the pipes,at the moment the steam trap opens thoroughly,the air and low-temperature condensate water are discharged rapidly and the temperature of the device rises immediately.When any steam enters into the inverted bucket,the bucket will obtain buoyancy and the fixed lever of the bucket drives the valve core to close the valve.There is small aperture on the inverted bucket,which can discharge air automatically.As some of steam is discharged from such aperture,while other steam produces condensate water.The inverted bucket loses the buoyancy and sinks down and its fixed lever drives the valve core to open the valve.When the steam re-enters into the bucket,the valve will close again.It repeats the said procedures to discharge water intermittently.
The inverted bucket steam trap is one of the most solid mechanical steam traps. It has the following advantages: it is not afraid of water hammer, can continuously discharge non condensing gas, and has good anti pollution performance; the maximum back pressure is ≥ 90%, all internal parts are made of stainless steel, wear-resistant and anti-corrosion; the ball valve core and valve seat are in line contact, with good sealing performance and long service life; intermittent drainage and continuous drainage It can discharge condensate close to saturation temperature and make heating equipment reach ideal working efficiency. The valve seat of inverted bucket steam trap is under the protection of water seal, and there is no live steam leakage during operation, so the effect of energy saving is good.
The product applies to such industrial steam heating equipment as petroleum,chemical,printing,paper making and pharmaceuticals and discharge of the steam pipe network.
Merits
1.Strong adaptability to happening of condensate water,capable of intermittent or continuous discharge.
2.Equipped with double-valve pressure differentiator and SCCV shutdown system,with small size but large discharge capacity.
3.All inner parts made of stainless steel and mounted on valve covers,easy to maintain and repair.
4.High backpressure rate of 90%.
5.Reliable separation of vapor and water (vapor enters from the lower part of the valve through the U-shape passage),the inner part of the valve is in water seal state,which effectively prevents the leakage of steam.
6.Water-resistant open floater with gas vent through the bucket's vent,effective to prevent steam locking or air blocking(except the non-confensed high-temperature air).
7.Suitable to be joined with lever mechanism for producing high-pressure valve.
先导活塞倒吊桶式疏水阀/PISTON INVERTED BUCKET TRAP



技术参数/Technique parameter
壳体压力等级 Shell pressure grade | 负荷泄漏率 Load leakage | 使用介质 Used medium | 允许背压率 Permitted backpressure rate | 节能效果 Energy saving effect | 排空气装置 Air Exhaust system |
2.5、 4.0、 6.4、 12MPA | ≈0% | 蒸汽、凝结水 Steam、 Condensate water | ≥90% | 优秀 Excellence | 自动 Automatic |
最大工作压差 Maximum Operating pressure differential
| 排出高温气体 Discharging of high- temperature air | 排水方式 Drainage method | 最高允许温度 Maximum Allowable temperature | 抗水击 Resis | |
12MPA | 适应 Adaption | 间接方式 Indirect way | 420℃ | 适应 Adaption | |
主要零件材料/The materials of primary accessories
零部件名称 Part and component name | 材质 Material |
阀体、阀盖 Valve body、Valve cover | 铸钢、不锈钢、合金钢 Cast-iron、WCB、Stainless steel |
吊桶、杠杆 Inverted bucket、Lever | 304/316不锈钢 304/316 Stainless steel |
阀座、阀瓣 Valve seat、Valve clack | STL合金、高铬不锈钢 STLAlloy、High chrome、stainless steel |
过滤网 Filtrating screen | 不锈钢 Stainless steel |
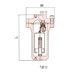
外形尺寸和重量/Prime out-form dimensions and weigh
产品型号 Product model | 口径(DN) Calibre | L法兰 Flange | L螺纹/ 焊接 Thread/ welding | H | H1 | W | 重量(kg) weight | 使用压力 范围(MPa) Pressure change range | 公称压力 (MPa) Nominal pressure |
WDVER411F | DN15-50 | 495 | - | 495 | - | 280 | 77 | 0.1-10.0 | 15 |

Note
1.Please provide operating pressure and operating pressure difference,generating quantity of condensate water,operating temperature,connecting mode and standards in selecting product models.
2.The load of condensate water’s safety coefficient reaches 2 to 3 times in general.
3.Please make sure the drain valve is installed properly,maintained regularly,cleaned up and operates under the normal condition,so as to extend its service life.
4.The products with same mantissa figure at their models have the same discharge capacity.