旋启式止回阀
我们坚持以客户需求为导向,以技术创新为动力,为您提供从产品选型到技术咨询的全方位服务,助力企业提升蒸汽系统能效,创造更大价值。
详情介绍
旋启式止回阀SWING-TYPE CHECK VALVE

应用规范
1、设计制造:按ANSIB16.34;API600;API602
2、结构长度:按ANSIB16.10;JIS B2002
3、连接端法兰尺寸:①150;300或600磅级按ANSIB16.5(RF)
4、阀门检验和试验:按API 598
5、结构特征:①B.B,旋启止回;有全径和缩径之分
6、材料:按ANSI/ASTM的规定
7、主体材料:A105;F5;F11;F22;304;304L;316;316L;LF2等
Application criterion
1.Design and manufacture:According to ANSIB16.34;API600; API602
2.Structure length:according to ANSIB16.10;JIS B2002
3.Size of connecting end flange:①150;300 and 600 pound grades:according to ANSIB16.5(RF)
4.Valve inspection and test:according to API 598
5.Structure characteristics:①BB,Swing check;reduced port and full port
6.Materials:According to ANSI/ASTM requirements
7.Materials of main body:A105;F5;F11;F22;304;304L;316;316L;LF2,etc.
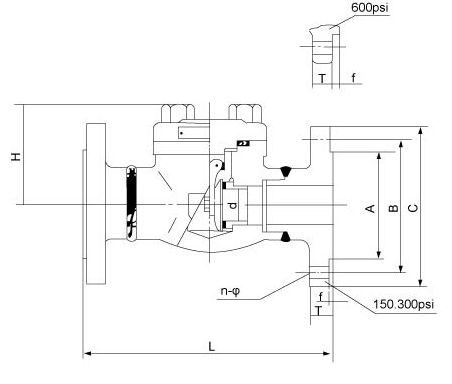
外形尺寸和重量/Prime out-form dimensions and weight
规格DN Specifications | 压力磅级Pressure pound grade | L | H(开) | A | B | C | T | f | n-φ | 重量(kg)Weight | |||
英制(in)British system | 公制Metric | 缩径Reduced port | 全径Full port | 缩径 Reduced port | 全径Full port | ||||||||
1/2 | 15 | 150 | 108 | 61 | 61 | 35 | 60.5 | 89 | 11.5 | 1.6 | 4-16 | 2.5 | 3.3 |
300 | 152 | 66.5 | 95 | 14.5 | 1.6 | 4-16 | 2.6 | 3.6 | |||||
600 | 165 | 66.5 | 95 | 14.5 | 6.4 | 4-16 | 2.9 | 4.3 | |||||
3/4 | 20 | 150 | 117 | 61 | 78 | 43 | 70 | 98 | 13 | 1.6 | 4-16 | 3.3 | 4.8 |
300 | 178 | 82.5 | 118 | 16 | 1.6 | 4-19 | 3.6 | 5.1 | |||||
600 | 190 | 82.5 | 118 | 16 | 6.4 | 4-19 | 4.3 | 6.2 | |||||
1 | 25 | 150 | 127 | 78 | 84 | 51 | 79.5 | 108 | 14.5 | 1.6 | 4-16 | 4.8 | 7 |
300 | 203 | 89 | 124 | 17.5 | 1.6 | 4-19 | 5.1 | 7.4 | |||||
600 | 216 | 89 | 124 | 17.5 | 6.4 | 4-19 | 6.2 | 7.7 | |||||
1¼ | 32 | 150 | 140 | 84 | 101 | 63 | 89 | 117 | 16 | 1.6 | 4-16 | 7 | 7.5 |
300 | 216 | 98.5 | 133 | 19.5 | 1.6 | 4-19 | 7.4 | 7.9 | |||||
600 | 229 | 98.5 | 133 | 21 | 6.4 | 4-19 | 7.7 | 9.3 | |||||
1½ | 40 | 150 | 165 | 101 | 120 | 73 | 98.5 | 127 | 17.5 | 1.6 | 4-16 | 7.5 | 11.3 |
300 | 229 | 114.5 | 156 | 21 | 1.6 | 4-22.5 | 7.9 | 11.7 | |||||
600 | 241 | 114.5 | 156 | 22.5 | 6.4 | 4-22.5 | 9.3 | 13.2 | |||||
2 | 50 | 150 | 203 | 120 | 133 | 92 | 120.5 | 152 | 19.5 | 1.6 | 4-19 | 11.3 | 13.6 |
300 | 267 | 127 | 165 | 22.5 | 1.6 | 8-19 | 11.7 | 16.8 | |||||
600 | 292 | 127 | 165 | 25.5 | 6.4 | 8-19 | 13.2 | 20.5 | |||||