National standard flanged bellows sealed straight through molten salt stop valve
We adhere to customer-oriented principles and drive innovation through technology, providing comprehensive services from product selection to technical consultation, helping enterprises enhance steam system efficiency and create greater value.
Detailed Introduction
Moltensaltvalveintroduction
Molten salt valve as the name suggests is a specific medium for sodium nitrate and potassium nitrate development and design of a valve, named after the characteristics of the medium, because sodium nitrate and potassium nitrate is a kind of easy crystallization, large viscosity, media fluidity is very poor special medium, in order to adapt to this medium and developed, this valve whether it is valve shape, flow structure, the external environment has special requirements, If the valve shape should be designed into y shape or corner shape, with minimum flow resistance resistance to improve the viscosity of the large poor flow function, the flow channel corner should be smooth, do not appear right angles and sharp corners affect the flow and hoarding of the medium, once the working condition stops running, the medium in the pipeline should be automatically emptied instead of hoarding in the pipeline to produce crystallization, because sodium nitrate and potassium nitrate are easy crystals, In order to make the medium does not crystallize, can make sodium nitrate, potassium nitrate always maintain a liquid state must be heated to the medium, this valve is usually electric heating or steam heating, because the electric heating condition is more complicated than the molten salt valve designed by the company compared with the imported lava valve, the company's molten salt valve only needs to carry out electric heating on the valve body, the valve cover does not need to use electric heating.
Structuralcharacteristics
1. Due to the particularity of molten salt medium, in the selection of valve materials, it is necessary to resist high temperature and corrosion.
2. The valve seat shall be made of Starlite carbide or other surface hardened materials, and the valve seat and disc shall be made of different hardness. The harder material shall be used for the valve seat.
3. The surface of the valve stem and valve internals should be hardened.
Applicationspecification
1、design, manufacturing according to API623;
2、structure length according to ASME B16.10;
3、butt end, welding groove size according to GB/T12224、 ASM16.25;
4、inspection and test according to GB/T26480;
5、According to GB/T26481 for dispersion test;
主要零件材料Materials for Main Parts
零部件名称 | 材质 Material |
阀体、阀盖 Valve body、Valve cover | CF8C、WCB、F347H、316、310、英科镍合金 |
阀杆Valve stem | F347H、INConEL 625等镍基高温高强合金 |
波纹管 Bellows | 316不锈钢、INConEL 625镍铬合金(多层) |
密封件 Sealing element | STL合金、D577合金、316不锈钢、英科镍合金等 |
Application specification
1. Design and manufacture according to API623
2. The structure length is GB/T12221
3. The connection flange size is GB/T9124
4. Inspection and test according to GB/T26480
5. Escape test according to GB/T26481
性能规范Performance specification
压力 Pressure 压力试验 Pressure Test(MPa) | PN16 | PN25 | PN40 |
壳体强度试验 Shell test | 2.4 | 3.75 | 6.0 |
高压密封试验 Sealing test | 1.76 | 2.75 | 4.4 |
氦质谱检漏 | 10-3 mm3/s | ||
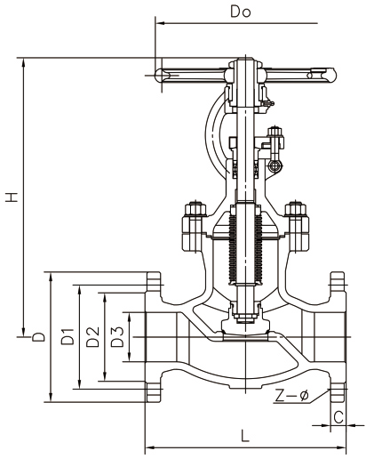
结构示意图 Structural diagram

主要外形尺寸 Main external dimension
型号 Model number | CLASS | 口径(DN) Calibre | L法兰 Flange | H | D3 | D2 | D1 | D | DO | C | KV(M3/h) | 重量(kg) Weight |
WJ41Y-16C/P | PN16 | 50 | 230 | 328 | 50 | 102 | 125 | 165 | 200 | 18 | 33 | 18.3 |
65 | 290 | 397 | 63.5 | 122 | 145 | 185 | 250 | 18 | 64 | 33 | ||
80 | 310 | 429 | 76.2 | 138 | 160 | 200 | 280 | 20 | 94 | 42.2 | ||
100 | 350 | 504 | 100 | 158 | 180 | 220 | 350 | 20 | 160 | 61.5 | ||
125 | 400 | 544 | 125 | 188 | 210 | 250 | 400 | 22 | 238 | 87.5 | ||
150 | 480 | 581 | 150 | 212 | 240 | 285 | 450 | 22 | 345 | 134 | ||
200 | 600 | 750 | 200 | 268 | 295 | 340 | 500 | 24 | 635 | 234 | ||
250 | 730 | 800 | 250 | 320 | 355 | 405 | 500 | 26 | 989 | -- | ||
300 | 850 | 900 | 300 | 378 | 410 | 460 | 550 | 28 | 1424 | -- | ||
350 | 980 | 1040 | 336 | 438 | 470 | 520 | 600 | 30 | 1938 | -- | ||
400 | 1100 | 1150 | 387 | 490 | 525 | 580 | 650 | 32 | 2532 | -- | ||
WJ41Y-25C/P | PN25 | 50 | 230 | 328 | 50 | 102 | 125 | 165 | 200 | 20 | 33 | 18.3 |
65 | 290 | 397 | 63.5 | 122 | 145 | 185 | 250 | 22 | 64 | 33 | ||
80 | 310 | 429 | 76.2 | 138 | 160 | 200 | 280 | 24 | 94 | 42.2 | ||
100 | 350 | 504 | 100 | 162 | 190 | 235 | 350 | 24 | 160 | 61.5 | ||
125 | 400 | 544 | 125 | 188 | 220 | 270 | 400 | 26 | 238 | 87.5 | ||
150 | 480 | 581 | 150 | 218 | 250 | 300 | 450 | 28 | 345 | 134 | ||
200 | 600 | 750 | 200 | 278 | 310 | 360 | 500 | 30 | 635 | 234 | ||
250 | 730 | 800 | 250 | 335 | 370 | 425 | 500 | 32 | 989 | -- | ||
300 | 850 | 900 | 300 | 395 | 430 | 485 | 550 | 34 | 1424 | -- | ||
350 | 980 | 1040 | 336 | 450 | 490 | 555 | 600 | 38 | 1938 | -- | ||
400 | 1100 | 1150 | 387 | 505 | 550 | 620 | 650 | 40 | 2532 | -- | ||
WJ41Y-40C/P | PN40 | 50 | 230 | 328 | 50 | 102 | 125 | 165 | 200 | 20 | 33 | 18.3 |
65 | 290 | 397 | 63.5 | 122 | 145 | 185 | 250 | 22 | 64 | 33 | ||
80 | 310 | 429 | 76.2 | 138 | 160 | 200 | 280 | 24 | 94 | 42.2 | ||
100 | 350 | 504 | 100 | 162 | 190 | 235 | 350 | 24 | 160 | 61.5 | ||
125 | 400 | 544 | 125 | 188 | 220 | 270 | 400 | 26 | 238 | 87.5 | ||
150 | 480 | 581 | 150 | 218 | 250 | 300 | 450 | 28 | 345 | 134 | ||
200 | 600 | 750 | 200 | 285 | 320 | 375 | 500 | 34 | 635 | 234 | ||
250 | 730 | 800 | 250 | 345 | 385 | 450 | 500 | 38 | 989 | -- | ||
300 | 850 | 900 | 300 | 410 | 450 | 515 | 550 | 42 | 1424 | -- | ||
350 | 980 | 1040 | 336 | 465 | 510 | 580 | 600 | 46 | 1938 | -- | ||
400 | 1100 | 1150 | 387 | 535 | 585 | 660 | 650 | 50 | 2532 | -- |
国标锻造法兰波纹管密封直通式熔盐截止阀
National standard forged flange bellows sealed straight through molten salt stop valve
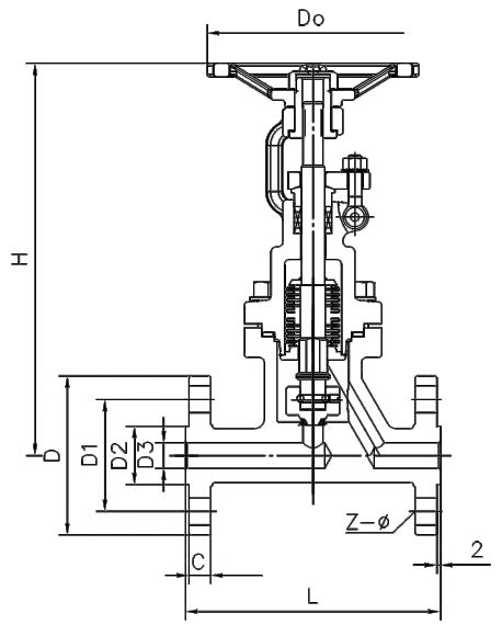
结构示意图 Structural diagram

主要外形尺寸 Main external dimension
型号Model number | 公称压力Nominal pressure | 口径(DN) Calibre | L法兰 Flange | H | D3 | D2 | D1 | D | DO | C | KV(M3/h) | 重量(kg) Weight |
WJ41Y-16C/P | PN16 | 15 | 130 | 234 | 15 | 45 | 65 | 95 | 140 | 16 | 3 | 5.5 |
20 | 150 | 234 | 20 | 58 | 75 | 105 | 140 | 18 | 5.6 | 6.6 | ||
25 | 160 | 234 | 25 | 68 | 85 | 115 | 160 | 18 | 8.8 | 7.4 | ||
32 | 180 | 303 | 32 | 78 | 100 | 140 | 160 | 18 | 15.1 | 14.9 | ||
40 | 200 | 307 | 38.1 | 88 | 110 | 150 | 180 | 18 | 22.3 | 17.2 | ||
50 | 230 | 328 | 50 | 102 | 125 | 165 | 200 | 18 | 33 | 18.3 | ||
WJ41Y-25C/P | PN25 | 15 | 130 | 234 | 15 | 45 | 65 | 95 | 140 | 16 | 3 | 5.5 |
20 | 150 | 234 | 20 | 58 | 75 | 105 | 140 | 18 | 5.6 | 6.6 | ||
25 | 160 | 234 | 25 | 68 | 85 | 115 | 160 | 18 | 8.8 | 7.4 | ||
32 | 180 | 303 | 32 | 78 | 100 | 140 | 160 | 18 | 15.1 | 14.9 | ||
40 | 200 | 307 | 38.1 | 88 | 110 | 150 | 180 | 18 | 22.3 | 17.2 | ||
50 | 230 | 328 | 50 | 102 | 125 | 165 | 200 | 20 | 33 | 18.3 | ||
WJ41Y-40C/P | PN40 | 15 | 130 | 234 | 15 | 45 | 65 | 95 | 140 | 16 | 3 | 5.5 |
20 | 150 | 234 | 20 | 58 | 75 | 105 | 140 | 18 | 5.6 | 6.6 | ||
25 | 160 | 234 | 25 | 68 | 85 | 115 | 160 | 18 | 8.8 | 7.4 | ||
32 | 180 | 303 | 32 | 78 | 100 | 140 | 160 | 18 | 15.1 | 14.9 | ||
40 | 200 | 307 | 38.1 | 88 | 110 | 150 | 180 | 18 | 22.3 | 17.2 | ||
50 | 230 | 328 | 50 | 102 | 125 | 165 | 200 | 20 | 33 | 18.3 |