法兰连接波纹管截止阀
我们坚持以客户需求为导向,以技术创新为动力,为您提供从产品选型到技术咨询的全方位服务,助力企业提升蒸汽系统能效,创造更大价值。
详情介绍
波纹管阀门的结构和主要特点:
1.采用填料和波纹管双重密封,达到零泄露。
2.阀体与阀盖用双头螺柱连接,工艺性能好。
3.本阀门的阀杆不仅有一般阀门的填料函,而且在这个填料函的下部,在阀盖内部装有活动密封元件波纹管,介质被封闭在阀杆以外的阀腔内,不能进入填料函,因此本阀门较一般阀门在防止外漏方面更为可靠,保证阀杆与阀盖连接的密封。
4.波纹管设计在阀盖内腔内,避免与介质直接冲刷,提高波纹管的使用寿命。
5.波纹管采用2-6倍重叠,确保使用压力防止因波纹管单层破损而使阀门泄漏,延长阀门的使用寿命。
6.因波纹管设计的比较长,开启高度大,减少流体主阻力,流阻系数小 。
Structure and main features of bellows valves
1The double sealing of packing and bellows realizes zero leakage.
2.The body and bonnet are connected by studs with good technological performance.
3.The stem of the valve has the packing box of ordinary valves,and under this packing box,the moveable sealing part bellows is installed inside the bonnet,so that the medium is sealed in the valve cavity outside the stem and cannot enter the packing box.Therefore,the valve is more reliable than ordinary valves in the prevention of leakage,ensuring sealing between stem and bonnet
4.The bellows is designed to be located in the cavity of bonnet,avoiding direct erosion with media and enhancing service life of the bellows.
5.The bellows adopts 2-6 times overlapping,Ensure to use Pressure avoiding valve leakage due to single-layer damage of the bellows and prolonging service life of the valve.
6.As the bellows is designed to be relatively long,the valve is featured by high opening height,reduced fluid main resistance and low flow resistance coefficient.
应用规范
1.设计制造:JB/T11150、GB/T12235、DIN3239、DIN3202、BS1873、MSS-SP-117、ASME B 16.34、API601、GB/T 12234。
2.连接端尺寸:
(1)承插口尺寸接ASME B 16.11和JB/T 1751
(2)对接端符合GB 12224、ASME B16.25和DIN 3239
(3)法兰端尺寸按JB/T79、JB/T82、HG20592、GB/T9113和ASME B16.5
(4)螺纹端尺寸按ANSI B 1.20.1和JB/T7306
3. 阀门的检验和试验按API598 、GB/T26480
4.材料按ANSI/ASTM、GB699和GB1220 的规定
5.主体材料:WCB;CF8;CF8M;CF3;CF3M;CN7M;A105;LF2;304(L);316(L);F347;F321;F51;Monel; 哈氏合金等。
6.波纹管材料:1Cr8Ni9Ti,00Cr17Ni14Mo2,0Cr18Ni12M2Ti,GH625, GH4169,GH202,Monel 400,Inconel 625、哈氏合金等。
Application specification
1.Design and manufacturing:
JB/T11150、GB/T12235、DIN3239、DIN3202、BS1873、MSS-SP-117、 ASME B16.34、API 601、GB/T 12234
2.Connection end size:
(1)Socket end size as per:ASME B16.11;JB/T1751
(2)GB12224、ASME B16.25 and DIN3239 Butt welding end conforms to: GB12224;ASME B16.25;DIN3239
(3)Flange end size as per JB/T79、JB/T82、HG20592、GBT9113and ASME B16.5
(4)Thread end size as per:ANSI B1.20.1;JB/T7306
3.Valve inspection and testing as per:API598、GB/T26480
4.Materials as per ANSI/ASTM,GB699 and GB1220
5.Body material:WCB;CF8;CF8M;CF3;CF3M;CN7M;A105;LF2;304(L); 316(L);F347;F321;F51;Monel;Alloy,etc.
6.Bellows material:1Cr8Ni9Ti,00Cr17Ni14Mo2,0Cr18 Ni12M2Ti,GH625,GH4169, Gh202,Monel 400,Inconel 625
主要零件材料(锻件)Materials for main parts(Casting)
主要零件名称 | 材料 | 材料 | 材料 |
阀体Body | A105 | F304(L) | F316(L) |
阀盖Bonnet | A105 | F304(L) | F316(L) |
上下阀杆 | 420 | 304(L) | 316(L) |
波纹管Bellows | F321 | 321/304(L) | F316/316L |
填料函Stuffing Box | A105 | 304(L) | 316(L) |
阀座、阀瓣、闸板 | 13Cr | F304(L) | F316(L) |
垫片Gasket | 304+柔性石墨 | 304+柔性石墨 | 304+柔性石墨 |
填料Packing | 柔性石墨 | 柔性石墨 | 柔性石墨 |
螺栓Bolt | B7 | B8 | B8 |
阀杆螺母Yoke nut | 40 | 13Cr | 13Cr |
主要零件材料(铸件)Materials for main parts(Casting)
主要零件名称 | 材料 | 材料 | 材料 |
阀体Body | WCB | CF8(M) | CF3(M) |
阀盖Bonnet | WCB | CF8(M) | F316(L) |
上下阀杆 | 13Cr | 304(L) | 316(L) |
波纹管Bellows | 1Cr18i9Ti | 321/304(L) | F316/316L |
填料函Stuffing Box | 25 | 304(L) | 316(L) |
阀座、阀瓣、闸板 | 13Cr | F304(L) | F316(L) |
垫片Gasket | 304+柔性石墨 | 304+柔性石墨 | 304+柔性石墨 |
填料Packing | 柔性石墨 | 柔性石墨 | 柔性石墨 |
螺栓Bolt | B7 | B8 | B8 |
阀杆螺母Yoke nut | 铅青铜 | 铅青铜 | 铅青铜 |
注:填料和垫片和材料可按用户的要求提供。
Note:The materials of packing and gaskets can be supplied according to customer requirements.
法兰连接波纹管截止阀 Flange connection bellows globe valve
PN1.6~4.0MPa (锻造)
结构示意图Structural diagram
应用规范Application specification
1.设计制造按JB/T11150、GB/T12235 和DIN3230
2.结构长度按DIN3202
3.法兰连接尺寸按 DIN2543 、GB/T9113
4.阀门的检验和试验按GB/T13927 和JB/T9092
1.Design and manufacturing as per JB/T11150、 GB/T12235、DIN3230
2.Face-to-face dimension as per DIN3202
3.Flange connection size as per DIN2543、GB/T9113
4.Valve inspection and testng as per GB/T13927、JB/T9092
性能规范Performance specification

主要外形尺寸Main external dimension
DN | L | D | D1 | D2 | D3 | T | H | n-Φ | D0 |
15 | 130 | 95 | 65 | 45 | 45 | 16 | 306 | 4-14 | 148 |
20 | 150 | 105 | 75 | 58 | 58 | 18 | 306 | 4-14 | 148 |
25 | 160 | 115 | 85 | 68 | 68 | 18 | 310 | 4-14 | 148 |
32 | 180 | 140 | 100 | 78 | 78 | 18 | 420 | 4-18 | 196 |
40 | 200 | 150 | 110 | 88 | 88 | 18 | 420 | 4-18 | 196 |
50 | 230 | 165 | 125 | 102 | 102 | 20 | 432 | 4-18 | 196 |
法兰连接波纹管截止阀 Flange connection bellows globe valve
PN2.5~4.0MPa (铸造)
结构示意图Structural diagram
应用规范Application specification
1.设计制造按JB/T11150、GB/T12235和DIN3230
2.结构长度按 DIN3202、GB/T12221
3.法兰连接尺寸按 DIN2543、GB/T9113
4.阀门的检验和试验按GB/T13927和JB/T9092
1.Design and manufacturing as per JB/T11150、 GB/T12235、DIN3230
2.Face-to-face dimension as per DIN3202、GB/T12221
3.Flange connection size as per DIN2543、GB/T9113
4.Valve inspection and testing as per to GB/T13927、JB/T9092
性能规范Performance specification

主要外形尺寸Main external dimension
DN | L | D | D1 | D2 | T | n-Φ | H | D0 | |
PN2.5MPa | 65 | 290 | 185 | 145 | 122 | 22 | 8-18 | 495 | 220 |
80 | 310 | 200 | 160 | 138 | 24 | 8-18 | 548 | 250 | |
100 | 350 | 235 | 190 | 162 | 24 | 8-22 | 626 | 320 | |
125 | 400 | 270 | 220 | 188 | 26 | 8-26 | 710 | 320 | |
150 | 480 | 300 | 250 | 218 | 28 | 8-26 | 855 | 400 | |
200 | 600 | 360 | 310 | 278 | 30 | 12-26 | 1016 | 500 | |
250 | 730 | 425 | 370 | 335 | 32 | 12-30 | 1240 | 600 | |
300 | 850 | 485 | 430 | 395 | 34 | 16-30 | 1287 | 600 | |
350 | 980 | 555 | 490 | 450 | 38 | 16-33 | 1416 | 600 | |
400 | 1100 | 620 | 550 | 505 | 40 | 16-36 | 1548 | 850 | |
450 | 1200 | 670 | 600 | 548 | 46 | 20-36 | 1748 | 850 | |
500 | 1250 | 730 | 660 | 609 | 48 | 20-36 | 1790 | 850 | |
PN4.0MPa | 65 | 290 | 185 | 145 | 122 | 22 | 8-18 | 495 | 220 |
80 | 310 | 200 | 160 | 138 | 24 | 8-18 | 548 | 250 | |
100 | 350 | 235 | 190 | 162 | 24 | 8-22 | 626 | 320 | |
125 | 400 | 270 | 220 | 188 | 26 | 8-26 | 710 | 320 | |
150 | 480 | 300 | 250 | 218 | 28 | 8-26 | 855 | 400 | |
200 | 600 | 375 | 320 | 285 | 34 | 12-30 | 1016 | 500 | |
250 | 730 | 450 | 385 | 345 | 38 | 12-33 | 1240 | 600 | |
300 | 850 | 515 | 450 | 410 | 42 | 16-33 | 1287 | 600 | |
350 | 980 | 580 | 510 | 465 | 46 | 16-36 | 1416 | 600 | |
400 | 1100 | 600 | 585 | 535 | 50 | 16-39 | 1548 | 850 | |
450 | 1200 | 685 | 610 | 560 | 57 | 20-39 | 1748 | 850 | |
500 | 1250 | 755 | 670 | 615 | 57 | 20-42 | 1790 | 850 |
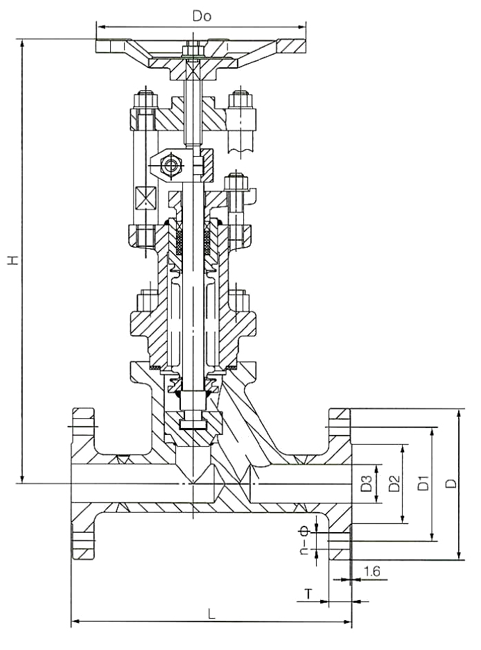
法兰连接波纹管截止阀 Flange connection bellows globe valve
PN1.6MPa (锻造)
结构示意图Structural diagram
应用规范Application specification
1.设计制造按JB/T11150、GB/T12235 和DIN3230
2.结构长度按 DIN3202
3.法兰连接尺寸按DIN2543、GB/T9113
4.阀门的检验和试验按GB/T13927 和JB/T9092
1.Design and manufacturing as per JB/T11150、 GB/T12235、DIN3230
2.Face-to-face dimension as per DIN3202
3.Flange connection size as per DIN2543、GB/T9113
4.Valve inspection and testing as per GB/T13927、JB/T9092
性能规范Performance specification

主要外形尺寸Main external dimension
DN | L | D | D1 | D2 | b | d | n-Φ | H | D0 |
15 | 130 | 95 | 65 | 45 | 14 | 13 | 4-14 | 155 | 148 |
20 | 150 | 105 | 75 | 58 | 16 | 18 | 4-14 | 158 | 148 |
25 | 160 | 115 | 85 | 68 | 16 | 22 | 4-14 | 161 | 148 |
32 | 180 | 140 | 100 | 78 | 18 | 25 | 4-18 | 161 | 148 |
40 | 200 | 150 | 110 | 88 | 18 | 36 | 4-18 | 205 | 196 |
50 | 230 | 165 | 125 | 102 | 20 | 46 | 4-18 | 215 | 196 |
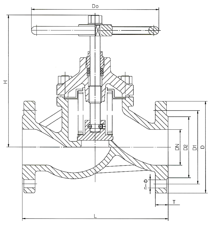
法兰连接波纹管截止阀 Flange connection bellows globe valve
PN1.6MPa (铸造)
结构示意图Structural diagram
应用规范Application specification
1.设计制造按JB/T11150、GB/T12235 和DIN3230
2.结构长度按 DIN3202
3.法兰连接尺寸按 DIN2543 、GB/T9113
4.阀门的检验和试验按GB/T13927 和JB/T9092
1.Design and manufacturing as per JB/T11150、GB/T12235、 DIN3230
2.Face-to-face dimension as per DIN3202
3.Flange connection size as per DIN2543、GB/T9113
4.Valve inspection and testing as per GB/T13927、JB/T9092
性能规范Performance specification

主要外形尺寸Main external dimension
DN | L | D | D1 | D2 | T | n-Φ | H | D0 |
65 | 290 | 185 | 145 | 122 | 20 | 4-18 | 232 | 220 |
80 | 310 | 200 | 160 | 138 | 22 | 4-18 | 257 | 220 |
100 | 350 | 235 | 190 | 162 | 24 | 8-18 | 288 | 220 |
125 | 400 | 270 | 220 | 188 | 26 | 8-18 | 329 | 250 |
150 | 480 | 300 | 250 | 218 | 26 | 8-22 | 372 | 280 |
200 | 600 | 360 | 310 | 278 | 30 | 12-22 | 429 | 360 |
250 | 730 | 425 | 370 | 335 | 32 | 12-26 | 484 | 400 |
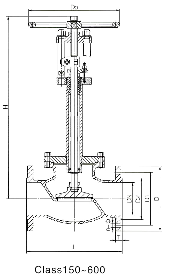
法兰连接波纹管截止阀 Flange connection bellows globe valve
Class150~1500(锻造)
结构示意图Structural diagram
应用规范Application specification
1.设计制造按JB/T11150、BS5352、MSS-SP-117和ASME B16.34
2.结构长度按ANSI B16.10
3.法兰连接尺寸按ASME B16.25
4.阀门的检验和试验按API 598
1.Design and manufacturing as per JB/T11150、BS5352、MSS-SP-117、ASME B 16.34
2.Face-to-face dimension as per ANSI B16.10
3.Flange connection size as per ASME B16.25
4.Valve inspection and testing as per API 598
性能规范Performance specification

主要外形尺寸Main external dimension
Class | NPS | L | D | D1 | D2 | D3 | T | H | n-Φ | D0 |
150Lb | 1/2 | 108 | 89 | 60.5 | 35 | 13 | 12 | 306 | 4-15 | 148 |
3/4 | 117 | 98 | 70 | 43 | 19 | 12 | 306 | 4-15 | 148 | |
1 | 127 | 108 | 79.5 | 51 | 25 | 12 | 310 | 4-15 | 148 | |
1 1/4 | 140 | 117 | 89 | 64 | 32 | 13 | 420 | 4-15 | 196 | |
1 1/2 | 165 | 127 | 98.5 | 73 | 38 | 15 | 420 | 4-15 | 196 | |
2 | 203 | 152 | 120.5 | 92 | 51 | 16 | 432 | 4-19 | 196 | |
300Lb | 1/2 | 152 | 95 | 66.7 | 35 | 13 | 15 | 306 | 4-16 | 148 |
3/4 | 178 | 120 | 82.5 | 43 | 19 | 16 | 306 | 4-19 | 148 | |
1 | 203 | 125 | 88.9 | 51 | 25 | 18 | 310 | 4-19 | 148 | |
1 1/4 | 216 | 135 | 98.4 | 64 | 32 | 19 | 420 | 4-19 | 196 | |
1 1/2 | 229 | 155 | 114.3 | 73 | 38 | 21 | 420 | 4-22 | 196 | |
2 | 267 | 165 | 127 | 92 | 51 | 23 | 432 | 8-19 | 196 | |
600Lb | 1/2 | 165 | 95 | 66.7 | 35 | 13 | 15 | 306 | 4-16 | 148 |
3/4 | 190 | 120 | 82.5 | 43 | 19 | 16 | 306 | 4-19 | 148 | |
1 | 216 | 125 | 88.9 | 51 | 25 | 18 | 310 | 4-19 | 148 | |
1 1/4 | 229 | 135 | 98.4 | 64 | 32 | 21 | 420 | 4-19 | 196 | |
1 1/2 | 241 | 155 | 114.3 | 73 | 38 | 23 | 420 | 4-22 | 196 | |
2 | 292 | 165 | 127 | 92 | 51 | 26 | 432 | 8-19 | 196 | |
1500Lb | 1/2 | 216 | 120 | 82.6 | 35 | 13 | 29 | 442 | 4-22 | 220 |
3/4 | 229 | 130 | 88.9 | 43 | 19 | 32 | 442 | 4-22 | 220 | |
1 | 254 | 150 | 101.6 | 51 | 25 | 35 | 448 | 4-26 | 220 | |
1 1/4 | 279 | 160 | 111 | 64 | 32 | 35 | 680 | 4-26 | 320 | |
1 1/2 | 305 | 180 | 123.8 | 73 | 38 | 38.5 | 680 | 4-30 | 320 | |
2 | 368 | 215 | 165 | 92 | 50 | 45 | 688 | 8-26 | 320 |
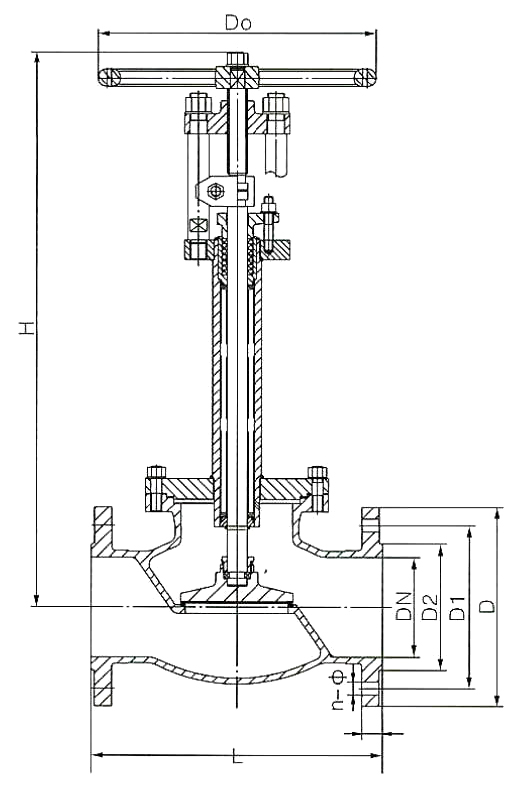
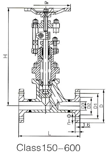
法兰连接波纹管截止阀Flange connection bellows globe valve
Class 150~1500
结构示意图Structural diagram

应用规范Application specification
1.设计制造按JB/T11150、BS 5352、MSS-SP-117和ASME B16.34
2.结构长度按ANSI B16.10
3.法兰连接尺寸按ASME B16.5
4.阀门的检验和试验按API 598
1.Design and manufacturing as per JB/T11150、BS 5352、MSS-SP-117、ASME B 16.34
2.Face-to-face dimension as per ANS B16.10
3.Flange connection size as per ASME B16.5
4.Valve inspection and testing as per API 598
性能规范Performance specification

主要外形尺寸Main external dimension
Class | NPS | L | D | D1 | D2 | T | n-Φ | H | D0 |
150Lb | 2 1/2 | 216 | 178 | 139.5 | 105 | 18 | 4-19 | 387 | 200 |
3 | 241 | 190 | 152.5 | 127 | 19 | 4-19 | 411 | 250 | |
4 | 292 | 229 | 190.5 | 157 | 24 | 8-19 | 454 | 250 | |
5 | 356 | 254 | 216 | 186 | 24 | 8-22 | 455 | 355 | |
6 | 406 | 279 | 241.5 | 216 | 26 | 8-22 | 541 | 355 | |
8 | 495 | 343 | 298.5 | 270 | 29 | 12-25 | 651 | 450 | |
10 | 622 | 406 | 362 | 324 | 31 | 12-25 | 800 | 450 | |
12 | 698 | 483 | 432 | 381 | 32 | 12-29 | 1230 | 500 | |
14 | 787 | 533 | 476.5 | 413 | 35 | 16-29 | 1450 | 600 | |
16 | 914 | 597 | 534.5 | 470 | 37 | 16-32.5 | 1645 | 1645 | |
18 | 978 | 635 | 578 | 544 | 40 | 8-22 | 1748 | 850 | |
300Lb | 2 1/2 | 292 | 190 | 149 | 105 | 26 | 8-22 | 387 | 200 |
3 | 318 | 210 | 168.5 | 127 | 29 | 8-22 | 411 | 250 | |
4 | 356 | 255 | 200 | 157 | 32 | 8-22 | 454 | 250 | |
5 | 400 | 280 | 235 | 186 | 35 | 8-22 | 455 | 355 | |
6 | 444 | 320 | 270 | 216 | 37 | 12-22 | 541 | 355 | |
8 | 559 | 380 | 330 | 270 | 42 | 12-26 | 651 | 450 | |
10 | 620 | 445 | 387.5 | 324 | 48 | 16-29 | 800 | 450 | |
12 | 711 | 520 | 451 | 381 | 51 | 16-32 | 1231 | 500 | |
14 | 838 | 585 | 514.5 | 413 | 54 | 20-32 | 1450 | 600 | |
16 | 864 | 650 | 571.5 | 470 | 58 | 20-35 | 1645 | 600 | |
18 | 978 | 710 | 628.5 | 533 | 61 | 24-35 | 1784 | 850 | |
600Lb | 2 1/2 | 330 | 190 | 149.2 | 105 | 29 | 8-22 | 387 | 200 |
3 | 356 | 210 | 168.3 | 127 | 32 | 8-22 | 411 | 250 | |
4 | 432 | 275 | 215.9 | 157 | 38 | 8-26 | 454 | 250 | |
5 | 508 | 330 | 266.7 | 186 | 45 | 8-29 | 455 | 355 | |
6 | 559 | 355 | 292.1 | 216 | 48 | 12-29 | 541 | 355 | |
8 | 660 | 420 | 349.2 | 270 | 56 | 12-32 | 651 | 450 | |
10 | 787 | 510 | 431.8 | 324 | 64 | 16-35 | 800 | 450 | |
12 | 838 | 560 | 489 | 381 | 67 | 20-35 | 1231 | 500 | |
14 | 889 | 605 | 527 | 413 | 70 | 20-39 | 1450 | 600 | |
16 | 991 | 685 | 603.2 | 470 | 77 | 20-42 | 1645 | 600 | |
18 | 1020 | 745 | 654 | 533 | 83 | 20-45 | 1748 | 850 | |
1500Lb | 2 1/2 | 419 | 245 | 190.5 | 105 | 48 | 8-30 | 820 | 400 |
3 | 470 | 265 | 203 | 127 | 54 | 8-33 | 1092 | 500 | |
4 | 546 | 310 | 241.5 | 157 | 61 | 8-36 | 1305 | 500 |