VENTILATION VALVE
We adhere to customer-oriented principles and drive innovation through technology, providing comprehensive services from product selection to technical consultation, helping enterprises enhance steam system efficiency and create greater value.
Detailed Introduction
D641W/D941 VENTILATION VALVE

Product characteristics and USES
This butterfly valve USES the same as the valve body material processed into sealing ring,use electric or pneumatic drive.The suitable temperature with the valve body material and decide,nominal pressure 0.6 MPa,or less generally applicable to the industry,metallurgy,Environmental protection pipe for use in ventilation regulating medium flow.Its main characteristic is:
1.The novel design,reasonable,unique structure,light weight,rapid opening and closing.
2.Small operation torque,easy to operate,saving smart.
3.Adopt to adapt to different materials to meet the high,medium and low medium temperature and corrosive medium,etc.
With a standard
Design criteria:GB/T12238-1989 JB/T8692-1998
Flange connection:GB/T9115.1-2000
length of the structure:GB/T12221-1989
Pressure test:GB/T13927-92 JB/T9092-1999
Main technical parameters
公称通径Nominal diameter | DN(mm) | 50-2000 | ||
公称压力Nominal pressure | PN(MPa) | 0.05 | 0.25 | 0.6 |
试验压力Ps(MPa) | 强度试验Strength test | 0.075 | 0.375 | 0.9 |
密封试验Sealing test | ≤1.5%泄漏量leakage | |||
适用介质Applicable medium | 煤气、含尘气体、烟道气等Gas,dust,gas,flue gas,etc | |||
驱动形式Drive form | 手动、蜗杆涡轮传动、气传动、电传动 | |||
The material of the main parts
零件名称Part name | 材料material |
阀体valve body | 铸钢、不锈钢、铬镍钼钛钢、铬钼钛钢等特殊材料 |
碟板Disc plate | |
密封圈Sealing ring | 与阀体相同The same as the body l |
阀杆valve stem | 碳钢、2Cr13、不锈钢、铬镍钼钛钢 |
填料packing | 氟塑料、柔性石墨 |
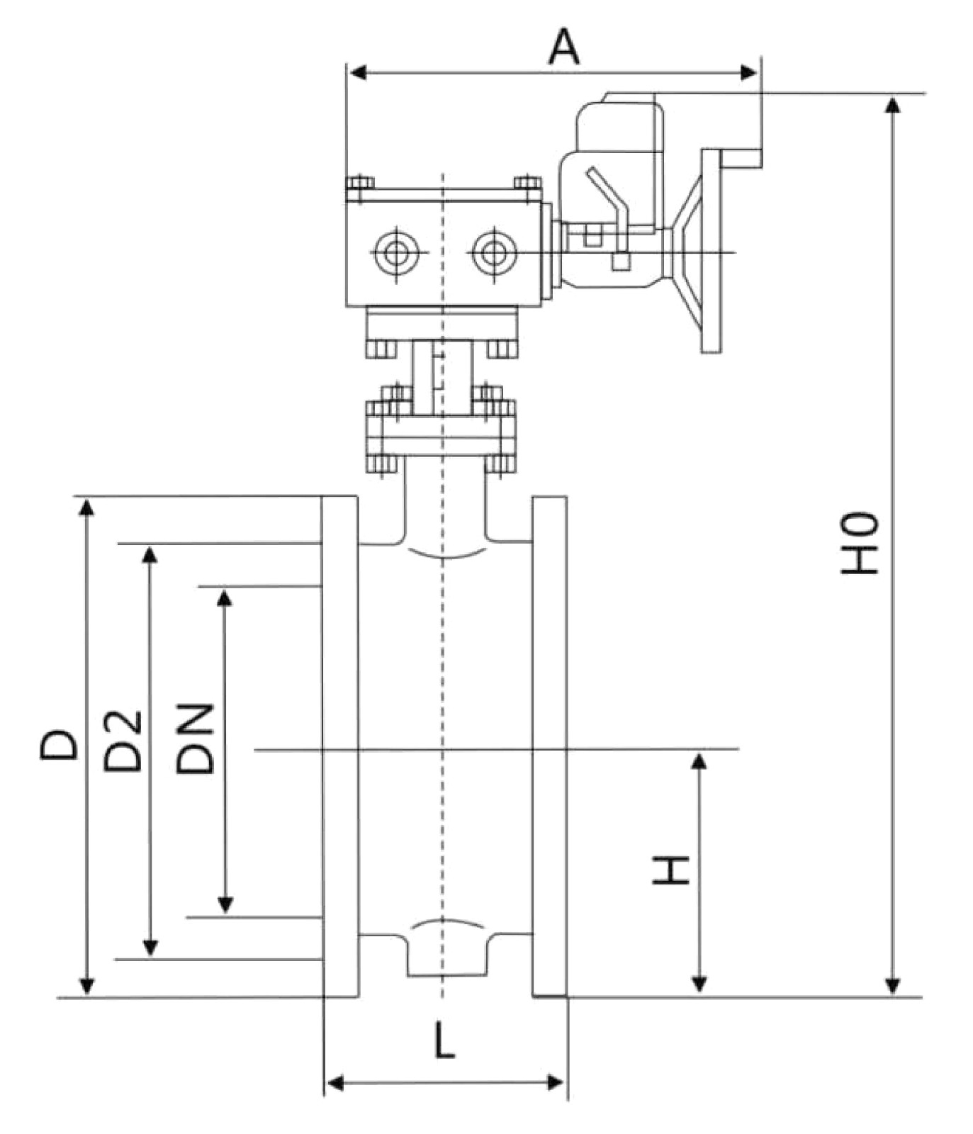
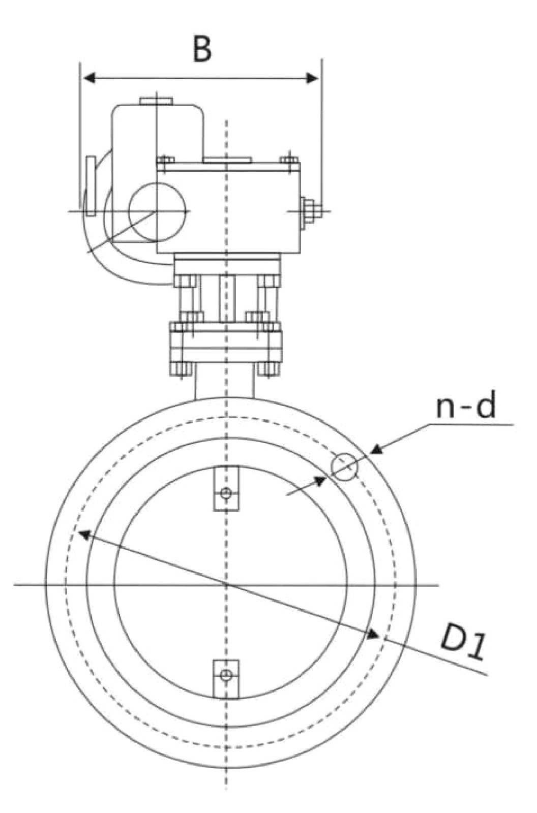
![]()

公称通径 | 结构长度 | 外形尺寸(参考值) | 连接尺寸(标准值)Connection size (standard) | |||||||||
0.05MPa和0.25MPa | 0.6MPa | |||||||||||
mm | inch | L | H | HO | A | B | D | D1 | n-d | D | D1 | n-d |
50 | 2 | 108 | 70 | 337 | 180 | 65 | 140 | 110 | 4-14 | 140 | 110 | 4-14 |
65 | 21/2 | 112 | 80 | 357 | 180 | 65 | 160 | 130 | 4-14 | 160 | 130 | 4-14 |
80 | 3 | 114 | 95 | 385 | 180 | 65 | 190 | 150 | 4-18 | 190 | 150 | 4-18 |
100 | 4 | 127 | 105 | 405 | 180 | 65 | 210 | 170 | 4-18 | 210 | 170 | 4-18 |
125 | 5 | 140 | 120 | 483 | 245 | 72 | 240 | 200 | 8-18 | 240 | 200 | 8-18 |
150 | 6 | 140 | 132 | 508 | 245 | 72 | 265 | 225 | 8-18 | 265 | 225 | 8-18 |
200 | 8 | 160 | 160 | 566 | 245 | 72 | 320 | 280 | 8-18 | 320 | 280 | 8-18 |
250 | 10 | 160 | 187 | 623 | 245 | 72 | 375 | 335 | 12-18 | 375 | 335 | 12-18 |
300 | 12 | 180 | 220 | 750 | 355 | 93 | 440 | 395 | 12-22 | 440 | 395 | 12-22 |
350 | 14 | 180 | 245 | 803 | 355 | 93 | 490 | 445 | 12-22 | 490 | 445 | 12-22 |
400 | 16 | 200 | 270 | 852 | 355 | 93 | 540 | 495 | 16-22 | 540 | 495 | 16-22 |
450 | 18 | 200 | 297 | 907 | 355 | 93 | 595 | 550 | 16-22 | 595 | 550 | 16-22 |
500 | 20 | 220 | 322 | 960 | 355 | 93 | 645 | 600 | 16-22 | 645 | 600 | 16-22 |
600 | 24 | 220 | 377 | 1080 | 550 | 350 | 755 | 705 | 20-26 | 755 | 705 | 20-26 |
700 | 28 | 240 | 430 | 1185 | 550 | 350 | 860 | 810 | 24-26 | 860 | 810 | 24-26 |
800 | 32 | 240 | 487 | 1300 | 550 | 350 | 975 | 920 | 24-30 | 975 | 920 | 24-30 |
900 | 36 | 260 | 537 | 1400 | 550 | 350 | 1075 | 1020 | 24-30 | 1075 | 1020 | 24-30 |
1000 | 40 | 260 | 587 | 1500 | 550 | 350 | 1175 | 1120 | 28-30 | 1175 | 1120 | 28-30 |
1200 | 48 | 280 | 702 | 1825 | 600 | 350 | 1375 | 1320 | 32-30 | 1405 | 1340 | 32-33 |
| 结构长度 | 外形尺寸(参考值) | 连接尺寸(标准值)Connection size (standard) | |||||||||
0.05MPa和0.25MPa | 0.6MPa | |||||||||||
mm | inch | L | H | HO | A | B | D | D1 | n-d | D | D1 | n-d |
50 | 2 | 108 | 70 | 418 | 250 | 225 | 140 | 110 | 4-14 | 140 | 110 | 4-14 |
65 | 21/2 | 112 | 80 | 438 | 250 | 225 | 160 | 130 | 4-14 | 160 | 130 | 4-14 |
80 | 3 | 114 | 95 | 466 | 250 | 225 | 190 | 150 | 4-18 | 190 | 150 | 4-18 |
100 | 4 | 127 | 105 | 486 | 250 | 225 | 210 | 170 | 4-18 | 210 | 170 | 4-18 |
125 | 5 | 140 | 120 | 516 | 325 | 245 | 240 | 200 | 8-18 | 240 | 200 | 8-18 |
150 | 6 | 140 | 132 | 541 | 325 | 245 | 265 | 225 | 8-18 | 265 | 225 | 8-18 |
200 | 8 | 160 | 160 | 779 | 325 | 245 | 320 | 280 | 8-18 | 320 | 280 | 8-18 |
250 | 10 | 160 | 187 | 836 | 363 | 313 | 375 | 335 | 12-18 | 375 | 335 | 12-18 |
300 | 12 | 180 | 220 | 901 | 363 | 313 | 440 | 395 | 12-22 | 440 | 395 | 12-22 |
350 | 14 | 180 | 245 | 954 | 363 | 313 | 490 | 445 | 12-22 | 490 | 445 | 12-22 |
400 | 16 | 200 | 270 | 1003 | 363 | 313 | 540 | 495 | 16-22 | 540 | 495 | 16-22 |
450 | 18 | 200 | 297 | 1058 | 465 | 439 | 595 | 550 | 16-22 | 595 | 550 | 16-22 |
500 | 20 | 220 | 322 | 1111 | 546 | 556 | 645 | 600 | 16-22 | 645 | 600 | 16-22 |
600 | 24 | 220 | 377 | 1233 | 546 | 556 | 755 | 705 | 20-26 | 755 | 705 | 20-26 |
700 | 28 | 240 | 430 | 1338 | 546 | 556 | 860 | 810 | 24-26 | 860 | 810 | 24-26 |
800 | 32 | 240 | 487 | 1452 | 546 | 556 | 975 | 920 | 24-30 | 975 | 920 | 24-30 |
900 | 36 | 260 | 537 | 1588 | 632 | 706 | 1075 | 1020 | 24-30 | 1075 | 1020 | 24-30 |
1000 | 40 | 260 | 587 | 1689 | 632 | 706 | 1175 | 1120 | 28-30 | 1175 | 1120 | 28-30 |
1200 | 48 | 280 | 702 | 1938 | 632 | 706 | 1375 | 1320 | 32-30 | 1405 | 1340 | 32-33 |
1400 | 56 | 530 | 782 | 2670 | 790 | 1338 | 1575 | 1520 | 36-30 | 1630 | 1560 | 36-36 |
1600 | 64 | 600 | 895 | 2810 | 868 | 1476 | 1790 | 1730 | 40-30 | 1830 | 1760 | 40-36 |
1800 | 72 | 670 | 995 | 3020 | 868 | 1476 | 1990 | 1930 | 44-30 | 2045 | 1970 | 44-39 |
2000 | 80 | 760 | 1095 | 3220 | 965 | 1600 | 2190 | 2130 | 48-30 | 2265 | 2180 | 48-42 |