日标截止阀
我们坚持以客户需求为导向,以技术创新为动力,为您提供从产品选型到技术咨询的全方位服务,助力企业提升蒸汽系统能效,创造更大价值。
详情介绍
日标截止阀JIS GLOBE VALVE
执行标准Execution standard
设计与制造 | 结构长度 | 法兰尺寸 | 压力-温度 | 试验-检验 |
JIS B2071 B2081 | JIS B2002 | JIS B2212 B2214 | JIS B2071 B2081 | JIS B2003 |
性能规范The performance specification
阀体材料 | SCPH2-11 | SCPH-32 | SCS13A | SCS19A | SCS14A | SCS16A | SCPL1 |
适用温度 | ≤425℃ | ≤540℃ | ≤275℃ | ≤200℃ | ≤275℃ | ≤200℃ | -45~-150℃ |
适用介质 | 水蒸气油品 | 硝酸类 | 醋酸类 | 氨气液氨 | |||
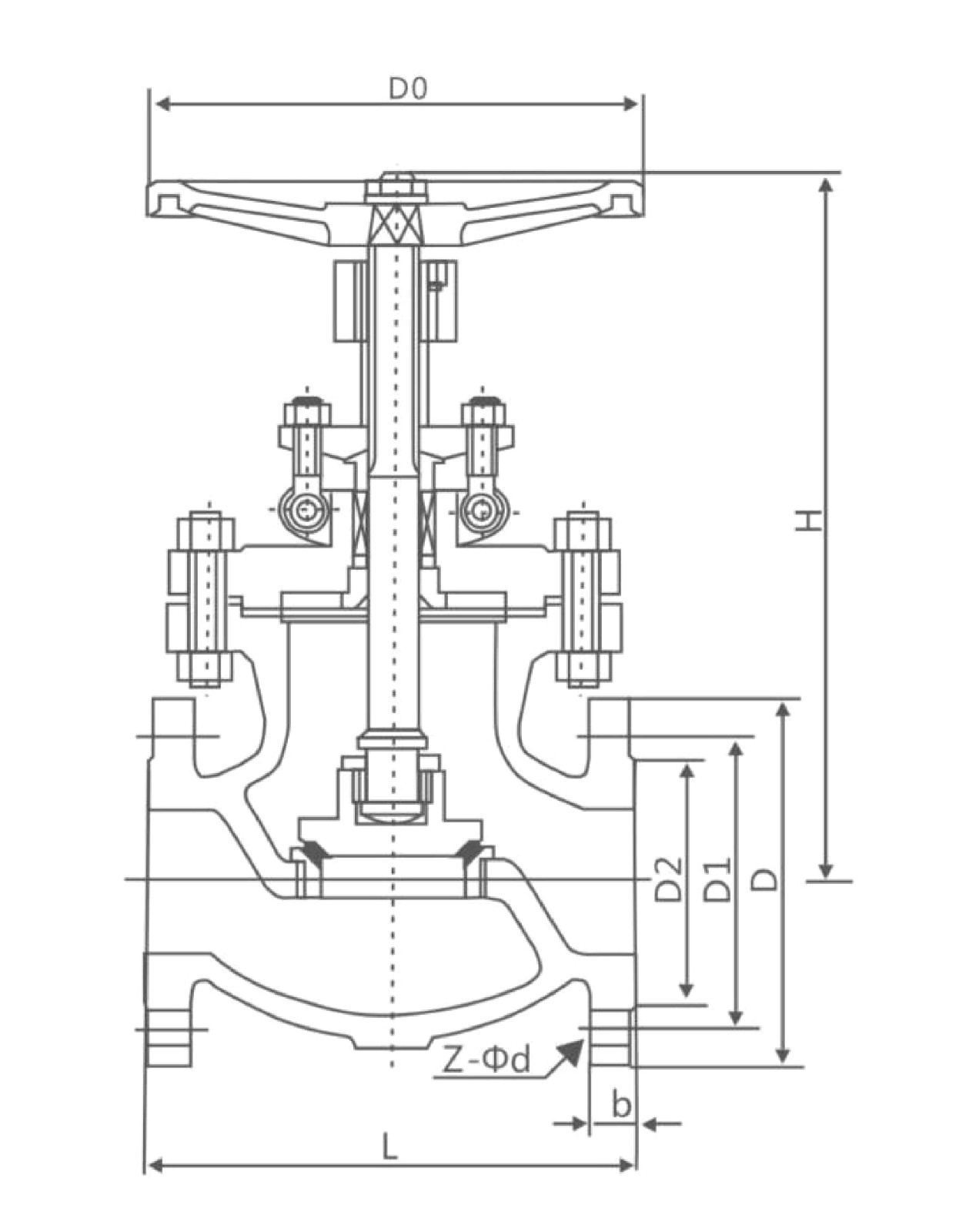
规格主要尺寸Main size
DN | 10K | ||||||||
mm | In | L | D | D1 | D2 | b | n-φd | H | D0 |
50 | 2 | 203 | 155 | 120 | 100 | 16 | 4-φ19 | 360 | 200 |
65 | 2 1/2 | 216 | 175 | 140 | 120 | 18 | 4-φ19 | 380 | 200 |
80 | 3 | 241 | 185 | 150 | 130 | 18 | 8-Φ19 | 415 | 250 |
100 | 4 | 292 | 210 | 175 | 155 | 18 | 8-φ19 | 465 | 250 |
125 | 5 | 356 | 250 | 210 | 185 | 20 | 8-φ23 | 515 | 300 |
150 | 6 | 406 | 280 | 240 | 215 | 22 | 8-φ23 | 545 | 350 |
200 | 8 | 495 | 330 | 290 | 265 | 22 | 12-φ23 | 675 | 450 |
20K | |||||||||
50 | 2 | 267 | 155 | 120 | 100 | 18 | 8-Φ19 | 420 | 200 |
65 | 2 1/2 | 292 | 175 | 140 | 120 | 20 | 8-φ19 | 465 | 250 |
80 | 3 | 318 | 200 | 160 | 135 | 22 | 8-φ23 | 490 | 300 |
100 | 4 | 356 | 225 | 185 | 160 | 24 | 8-φ23 | 590 | 350 |
125 | 5 | 400 | 270 | 225 | 195 | 26 | 8-φ25 | 690 | 400 |
150 | 6 | 444 | 305 | 260 | 230 | 28 | 12-φ25 | 760 | 450 |
200 | 8 | 559 | 350 | 305 | 275 | 30 | 12-φ25 | 1070 | 450 |