法兰氨用截止阀 J41B
我们坚持以客户需求为导向,以技术创新为动力,为您提供从产品选型到技术咨询的全方位服务,助力企业提升蒸汽系统能效,创造更大价值。
详情介绍
J41B 法兰氨用截止阀 GLOBE VALVE FOR AMMONIAFLANGES
结构特点及用途Structural characteristics and USES
1. 中通法兰为方形结构,阀杆采用间杆连接。
2. 阀体密封面部位采用球凸状,与阀脚以线吻合密封。
3. 密封面采用巴氏合金,密封性能好,使用寿命长
1.Zhongtong flange is square structure,stem connection between the rod.
2.The valve sealing surface parts adopt convexity,sealed with valve feet in line.
3.Sealing surface adopts babbitt,good sealing performance,long service life
性能规范Performance specification
适用介质:氨,氨液,氨水
适用温度: -196℃-36℃
Applicable medium:ammonia,ammonia liquid,ammonia water
Applicable temperature:-196℃to-36℃
试验压力Test pressure
公称压力PN(MPa) | 试验压力(MPa) | |
壳体强度试验 | 密封试验 | |
1.6 | 2.4 | 1.76 |
2.5 | 3.75 | 2.75 |
主要零件材料Major parts material
产品类型 | 零件名称 | ||||
阀杆 | 填料 | 密封面 | 垫片 | 紧固件 | |
J41B-16/25C | 碳钢、不锈钢 | 聚四氟乙烯 | 巴氏合金/PTFE | 石棉橡胶板 | 优质碳钢 |
J41B-16/25Q | 碳钢、不锈钢 | 聚四氟乙烯 | 巴氏合金/PTFE | 石棉橡胶板 | 优质碳钢 |
J41B-16/25K | 碳钢、不锈钢 | 聚四氟乙烯 | 巴氏合金/PTFE | 石棉橡胶板 | 优质碳钢 |
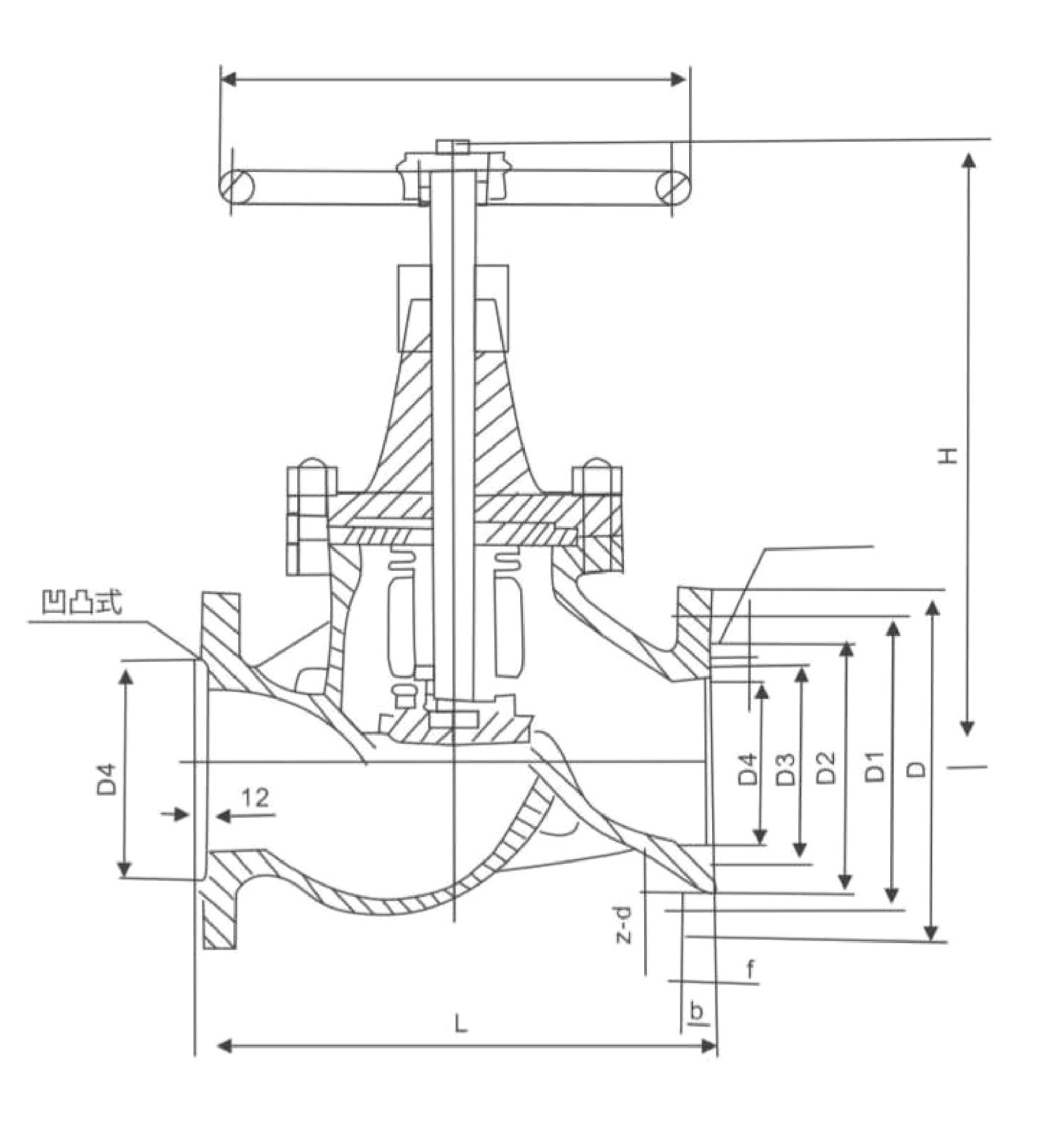
主要外形尺寸及连接尺寸Main external and connection dimension
公称通径 DN(mm) | 主要外形尺寸及连接尺寸(mm) | ||||||||||
L | D | D1 | D2 | D6 | b | f | f2 | z-d | H | D0 | |
J41B-16C J41B-16Q J41B-16K | |||||||||||
10 | 130 | 90 | 60 | 40 | 35 | 14 | 2 | 4 | 4-14 | 196 | 120 |
15 | 130 | 95 | 65 | 45 | 40 | 14 | 2 | 4 | 4-14 | 196 | 120 |
20 | 150 | 105 | 75 | 55 | 51 | 16 | 2 | 4 | 4-14 | 196 | 140 |
25 | 160 | 115 | 85 | 65 | 58 | 16 | 2 | 4 | 4-14 | 204 | 160 |
32 | 180 | 135 | 100 | 78 | 66 | 18 | 2 | 4 | 4-18 | 208 | 160 |
40 | 200 | 145 | 110 | 85 | 76 | 18 | 3 | 4 | 4-18 | 248 | 200 |
50 | 230 | 160 | 125 | 100 | 88 | 20 | 3 | 4 | 4-18 | 248 | 200 |
65 | 290 | 180 | 145 | 125 | 110 | 22 | 3 | 4 | 4-18 | 321 | 240 |
80 | 310 | 195 | 160 | 135 | 121 | 24 | 3 | 4 | 8-18 | 325 | 240 |
100 | 350 | 215 | 180 | 155 | 150 | 24 | 3 | 4.5 | 8-18 | 371 | 280 |
125 | 400 | 245 | 210 | 185 | 176 | 26 | 3 | 4.5 | 8-18 | 400 | 320 |
150 | 480 | 280 | 240 | 210 | 204 | 26 | 3 | 4.5 | 8-23 | 432 | 320 |
200 | 600 | 335 | 295 | 265 | 260 | 30 | 3 | 4.5 | 12-23 | 654 | 400 |
250 | 650 | 405 | 335 | 320 | 313 | 32 | 3 | 4.5 | 12-25 | 745 | 500 |
300 | 700 | 460 | 410 | 375 | 364 | 34 | 3 | 4.5 | 12-25 | 852 | 600 |