Gb floating ball valve
We adhere to customer-oriented principles and drive innovation through technology, providing comprehensive services from product selection to technical consultation, helping enterprises enhance steam system efficiency and create greater value.
Detailed Introduction
Gb floating ball valve
Soft floating seal stainless steel ball valve used for PN16⁓PN63 various piping,used to truncate or on line in the medium,choose no material,can be respectively suitable for water,steam,oil,liquefied petroleum gas,natural gas,coal gas,acetic acid,oxidizing medium,urea,and other media.
A,in all kinds of valve,ball valve flow resistance of the smallest,full bore ball valve is opened,the sphere channels,the body and connected to equal diameter and diameter,flow medium can be almost no losses.
B,ball valve can be rotated 90°seated fully open,opening and closing fast.Compared with the same specifications of the gate valve,globe valve,ball valve, small volume,light weight,easy to pipeline installation.
标准与规范Standards and norms
设计标准 | 结构长度 | 法兰连接尺寸 | 试验与检验 | 压力-温度 |
GB/T12237 API6D | GB/T12221 | JB/T79 HG20592 | JB/T 9092 GB/T13927 | GB/T12224 ASME B16.34 |
性能参数performance parameters
序号NO. | 项目名称Project name | 项目名称Project name | |||
PN16 | PN25 | PN40 | PN64 | ||
1 | 公称压力(MPa) | 1.6 | 2.5 | 4.0 | 6.4 |
2 | 壳体强度试验压力(MPa) | 常温下公称压力的1.5倍 | |||
3 | 高压密封试验压力(MPa) | 常温下公称压力的1.1倍 | |||
4 | 常温下工作压力(MPa) | ≤1.6 | ≤2.5 | ≤4.0 | ≤6.4 |
主要零件材料 Materials for Main Parts
名称Name | 材料Material | ||||||||
阀体/阀盖Body/Bonnet | CF8 | CF3 | CF8M | CF3M | WCB | LCB | WC6 | WC9 | C5 |
球体Ball | CF8 | CF3 | CF8M | CF3M | WCB Hcr | CF8 | CF8 | CF8 | CF8 |
阀杆Stem | F304 | F304L | F316 | F316L | 2CR13 | F304 | F304 | F304 | F304 |
阀座Seat | PTFE/PPL/304 | ||||||||
填料/垫片Packing/Gasket | PTFF | 石墨Graphite | |||||||
螺栓Bolt | 不锈钢Stainless Steel | 35CrMoA | |||||||
螺母Nut | 不锈钢Stainless Steel | 45、35CrMoA | |||||||
手柄Handle | 铸钢Cast Steel | ||||||||
Q41/641/941F-16C/P/R/RL

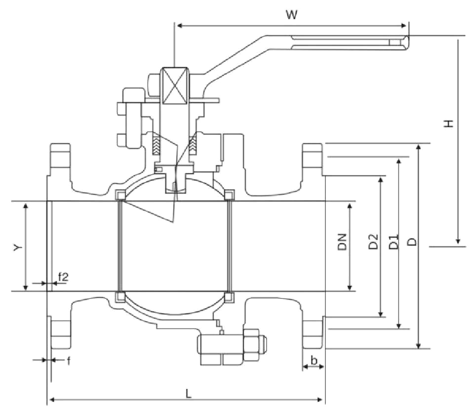
主要外形和连接尺寸Main external and connection dimension 单位Unit:mm
公称通径 | 主要外形和连接尺寸Main external and connection dimensions | WT(kg) | ||||||||
L | D | D1 | D2 | b | f | Z-φd | H | W | ||
Q41F-16C Q41F-16P Q641F-16C Q641F-16P Q9B41F-16C Q9B41F-16P | ||||||||||
15 | 130 | 95 | 65 | 45 | 14 | 2 | 4-Φ14 | 78 | 140 | 3 |
20 | 140 | 105 | 75 | 55 | 14 | 2 | 4-φ14 | 84 | 160 | 4 |
25 | 150 | 115 | 85 | 65 | 14 | 2 | 4-φ14 | 95 | 180 | 5 |
32 | 165 | 135 | 100 | 78 | 17 | 2 | 4-φ18 | 150 | 250 | 9 |
40 | 180 | 145 | 110 | 85 | 17 | 2 | 4-φ18 | 150 | 300 | 11 |
50 | 200 | 160 | 125 | 100 | 18 | 2 | 4-φ18 | 170 | 350 | 15 |
65 | 220 | 180 | 145 | 120 | 19 | 2 | 4-φ18 | 195 | 350 | 19 |
80 | 250 | 195 | 160 | 135 | 20 | 2 | 8-Φ18 | 215 | 400 | 27 |
100 | 280 | 215 | 180 | 155 | 21 | 2 | 8-φ18 | 250 | 500 | 38 |
125 | 320 | 245 | 210 | 185 | 22 | 3 | 8-φ18 | 265 | 600 | 58 |
150 | 360 | 280 | 240 | 210 | 24 | 3 | 8-φ23 | 270 | 800 | 81 |
200 | 400 | 335 | 295 | 265 | 26 | 3 | 12-φ23 | 330 | 800 | 95 |
250 | 533 | 405 | 355 | 320 | 28 | 3 | 12-φ25 | 450 | 1300 | 140 |
Q41/341/641/941P-25~64/ JB/T 79.2-1994 JB/T 79.1-1994
主要外形和连接尺寸Main external and connection dimension 单位Unit:mm
公称通径DN | 主要外形和连接尺寸Main external and connectiong dimensions | WT(kg) | |||||||||
L | D | D1 | D2 | b | Y | f2 | Z-Φd | H | W | ||
Q41F-25 Q41F-25P Q641F-25 Q641F-25P Q9B41F-25 Q9B41F-25P | |||||||||||
15 | 130 | 95 | 65 | 45 | 16 | - | - | 4-Φ14 | 103 | 100 | 3 |
20 | 140 | 105 | 75 | 55 | 16 | - | - | 4-Φ14 | 112 | 160 | 4 |
25 | 150 | 115 | 85 | 65 | 16 | - | - | 4-φ14 | 123 | 160 | 6 |
32 | 165 | 135 | 100 | 78 | 18 | - | - | 4-Φ18 | 150 | 250 | 10 |
40 | 180 | 145 | 110 | 85 | 18 | - | - | 4-Φ18 | 156 | 250 | 14 |
50 | 200 | 160 | 125 | 100 | 20 | - | - | 4-Φ18 | 172 | 350 | 20 |
65 | 220 | 180 | 145 | 120 | 22 | - | - | 8-φ18 | 197 | 350 | 25 |
80 | 250 | 195 | 160 | 135 | 22 | - | - | 8-φ18 | 222 | 450 | 30 |
100 | 280 | 230 | 190 | 160 | 24 | - | - | 8-φ23 | 253 | 450 | 40 |
125 | 320 | 270 | 220 | 188 | 28 | - | - | 8-φ25 | 275 | 600 | 65 |
150 | 360 | 300 | 250 | 218 | 30 | - | - | 8-Φ25 | 286 | 800 | 85 |
200 | 400 | 360 | 310 | 278 | 34 | - | - | 12-Φ25 | 340 | 1200 | 100 |
250 | 533 | 425 | 370 | 332 | 36 | - | - | 12-Φ30 | 470 | 1400 | 165 |
Q41F-40 Q41F-40P Q341F-40 Q341F-40P Q641F-40 Q641F-40P Q9B41F-40 Q9B41F-40P | |||||||||||
15 | 130 | 95 | 65 | 45 | 16 | 40 | 4 | 4-φ14 | 103 | 100 | 3 |
20 | 140 | 105 | 75 | 55 | 16 | 51 | 4 | 4-Φ14 | 112 | 160 | 4 |
25 | 150 | 115 | 85 | 65 | 16 | 58 | 4 | 4-φ14 | 123 | 160 | 6 |
32 | 180 | 135 | 100 | 78 | 18 | 66 | 4 | 4-φ18 | 150 | 250 | 10 |
40 | 200 | 145 | 110 | 85 | 18 | 76 | 4 | 4-φ18 | 156 | 250 | 14 |
50 | 220 | 160 | 125 | 100 | 20 | 88 | 4 | 4-φ18 | 172 | 350 | 20 |
65 | 250 | 180 | 145 | 120 | 22 | 110 | 4 | 8-φ18 | 197 | 350 | 25 |
80 | 280 | 195 | 160 | 135 | 22 | 121 | 4 | 8-φ18 | 222 | 450 | 30 |
100 | 320 | 230 | 190 | 160 | 24 | 150 | 4.5 | 8-φ23 | 253 | 450 | 40 |
125 | 400 | 270 | 220 | 188 | 28 | 176 | 4.5 | 8-φ25 | 275 | 600 | 65 |
150 | 400 | 300 | 250 | 218 | 30 | 204 | 4.5 | 8-φ25 | 286 | 800 | 85 |
200 | 550 | 375 | 320 | 282 | 38 | 260 | 4.5 | 12-Φ30 | 340 | 1200 | 100 |
250 | 568 | 445 | 385 | 345 | 42 | 313 | 4.5 | 12-Φ34 | 470 | 1400 | 165 |
Q41F-63 Q41F-63P Q341F-63 Q341F-63P Q641F-63 Q641F-63P Q9B41F-63 Q9B41F-63P | |||||||||||
15 | 140 | 105 | 75 | 55 | 18 | 40 | 4 | 4-φ14 | 105 | 130 | 3.1 |
20 | 155 | 125 | 90 | 68 | 20 | 51 | 4 | 4-Φ18 | 125 | 130 | 4.9 |
25 | 180 | 135 | 100 | 78 | 22 | 58 | 4 | 4-Φ18 | 135 | 160 | 7.2 |
32 | 200 | 150 | 110 | 82 | 24 | 66 | 4 | 4-Φ23 | 150 | 160 | 8.7 |
40 | 220 | 165 | 125 | 95 | 24 | 76 | 4 | 4-Φ23 | 165 | 230 | 12.1 |
50 | 250 | 175 | 135 | 105 | 26 | 88 | 4 | 4-φ23 | 175 | 230 | 16.7 |
65 | 280 | 200 | 160 | 130 | 28 | 110 | 4 | 8-φ23 | 200 | 400 | 28.2 |
80 | 320 | 210 | 170 | 140 | 30 | 121 | 4 | 8-Φ23 | 210 | 400 | 36 |
100 | 350 | 250 | 200 | 168 | 32 | 150 | 4.5 | 8-φ25 | 250 | 700 | 66 |
125 | 455 | 295 | 240 | 202 | 36 | 176 | 4.5 | 8-φ30 | 295 | 1100 | 98 |
150 | 495 | 340 | 280 | 240 | 38 | 204 | 4.5 | 8-φ34 | 340 | 1500 | 142 |