Home > Products > General Valves > Ball Valves > Install eccentric ball valve

Install eccentric ball valve

Qiaofa Machinery Manufacturing Co., Ltd., as an industry-leading steam system solutions expert, is committed to providing customers with premium Install eccentric ball valve products and professional services. With mature production processes and a comprehensive technical support system, we offer precise product selection recommendations and customized solutions tailored to actual operating conditions.

We adhere to customer-oriented principles and drive innovation through technology, providing comprehensive services from product selection to technical consultation, helping enterprises enhance steam system efficiency and create greater value.

Detailed Introduction

 Install eccentric ball valve

 

Structural characteristics and uses

1Pressure loss:full-time water loss is zero,flow completely smooth,medium body will not be deposited in the cavity.

2Granule abrasion resistance:V-shaped opening of the spherical cap and the shear effect between the metal valve seat,in the closing process,only the crown at the last moment before their eyes the ball valve seat,not the formation of friction and resistant seat grinding of nickel alloys,cannot easily be washed and wear,which applies to Contain fiber,small solid particles,pulp,etc.

3Suitable for high-velocity medium:direct flow,strong eccentric-crank to fit the high velocity and no vibration.

4Long life:no wearing parts,as eccentric,open and close the valve when the friction between the sealing   surface,then the long service life.

5Easy maintenance:valve repair without removing the road from the tube,simply open the valve cover can be  repaired.

6Widely used in water,sewage,solid particles containing micro-,water,steam,gas, natural gas,oil and so on.

 

Implementation of standards

1Design and manufacture:GB/T12237-1989

2Inspection and test:GB/T 13927-1992

3Flange connection:GB/T9113.1-2000

4Structure length:JD-2004

  

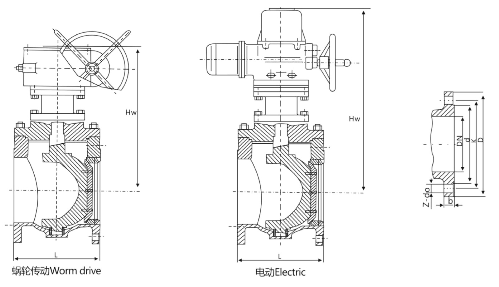
主要零件材料 Implementation of standards 

阀体Body

灰铸铁Grey cast iron

球墨铸铁Ductile Iron

铸钢Cast steel

阀盖Bonnet

灰铸铁Grey cast iron

球墨铸铁Ductile Iron

铸钢Cast steel

阀杆Stem

2Cr13

2Cr13

2Cr13

阀座Seat

不锈钢Stainless steel

不锈钢Stainless steel

不锈钢Stainless steel

球冠Spherical

球墨铸铁覆盖橡胶、不锈钢Ductile iron cover rubber,stainless steel

不锈钢Stainless steel

铸钢覆盖橡胶/不锈钢Rubber covered steel/stainless steel

半球Hemisphere

灰铸铁Grey cast iron

球墨铸铁Ductile Iron

铸钢Cast steel

 

主要连接尺寸Main connection dimensions                         JB/T 79.2-1994

           JB/T 82.1-1994

公称压力PN

公称通径DN

尺寸Size(mm)

L

D

K

d

b

Z-do

Hw

Hd

1.0MPa

100

229

215

180

155

22

8-18

330

380

125

254

245

210

185

24

8-18

345

405

150

267

280

240

210

24

8-23

370

440

200

292

335

295

265

24

8-23

405

470

250

330

390

350

320

26

12-23

480

540

300

356

440

400

368

28

12-23

520

580

350

430

500

460

428

28

16-23

570

630

400

530

565

515

482

30

16-25

630

710

450

580

615

565

532

30

20-25

690

770

500

660

670

620

585

32

20-25

740

820

600

840

780

725

685

36

20-30

840

940

700

900

895

840

794

34

24-30

960

1040

800

1000

1015

950

901

36

24-33

1080

1180

900

1100

1115

1050

1001

38

28-33

1190

1280

1000

1200

1230

1160

1112

38

28-36

1310

1420

1200

1300

1455

1380

1328

44

32-39

1420

1530

1400

1500

1675

1590

1530

48

36-42

1540

1650

1.6MPa

100

229

215

180

155

20

8-18

330

380

125

254

245

210

185

22

8-18

345

405

150

267

280

240

210

24

8-23

370

440

200

292

335

295

265

26

12-23

405

470

250

330

405

355

320

30

12-25

480

540

300

356

460

410

375

30

12-25

520

580

350

430

520

470

435

34

16-25

570

630

400

530

580

525

485

36

16-30

630

710

450

580

640

585

545

40

20-30

690

770

500

660

705

650

608

44

20-34

740

820

600

840

840

770

718

48

20-41

840

940

700

900

910

840

788

50

24-41

960

1040

800

1000

1020

950

898

52

24-41

1080

1180

900

1100

1120

1050

998

54

28-41

1190

1280

1000

1200

1255

1170

1110

56

28-48

1310

1420

1200

1300

1485

1390

1325

58

32-54

1420

1530

1400

1500

1685

1590

1525

60

36-54

1540

1650