GB globe valve
We adhere to customer-oriented principles and drive innovation through technology, providing comprehensive services from product selection to technical consultation, helping enterprises enhance steam system efficiency and create greater value.
Detailed Introduction
Structural advantages and characteristics
1、The product designed and manufactured according to national standard GB 12235,reasonable structure,reliable sealing,excellent performance and beautiful shape.
2、Flap valve,the valve seat sealing surface of iron based alloy or stellite (stellite)made of cobalt-based alloy welding,wear-resistant,high temperature, corrosion,anti-abrasion performance,long life.
3、Stem quenched and the nitrogen treatment,with good resistance to corrosion and scratch resistance.
4、Can be used with a variety of standard pipe flanges and flange sealing surface types to meet various project needs and user requirements.
5、Body material variety,packing,gasket can be based on actual working conditions or the user requests a reasonable option,can be applied with all kinds of pressure,temperature and medium conditions.
6、Sealed with screw connection seal back seat or body made of stainless steel welding,sealing and reliable replacement of filling in non-stop convenient and efficient manner does not affect system operation.
Standards and norms
设计与制造 | 结构长度Structure Length | 压力、温度等级Pressure、 temperature rating | 连接法兰 | 检验与试验 |
GB 12235 | GB 12221 | GB 12224 | JB/T 79/82~1994 | JB/T 9092-1999 GB13927 |
主要零件材料Main components material
名称Name | 材料Material | ||||||||
阀体/阀盖Body/Bonnet | CF8 | CF3 | CF8M | CF3M | WCB | LCB | WC6 | WC9 | C5 |
阀瓣Wedge | CF8 | CF3 | CF8M | CF3M | WCB | LCB | WC6 | WC9 | C5 |
阀杆Stem | F304 | F304L | F316 | F316L | 2CR13 | F304 | F304 | F304 | F304 |
阀杆螺母Stem Nut | 铝青铜Aluminium Bronze | ||||||||
填料Packing | PTFE/柔性石墨 | 石墨Graphite | |||||||
垫片Gasket | PTFE/金属缠绕垫 | 石墨Graphite | |||||||
压盖Gland | CF8 | CF3 | CF8M | CF3M | WCB | LCB | WC6 | WC9 | C5 |
螺栓Bolt | 35CrMoA | ||||||||
螺母Nut | 不锈钢Stainless Steel | 45、35CrMoA | |||||||
手轮Handwheel | 不锈钢Stainless Steel 铸钢Cast Steel | ||||||||
![]()



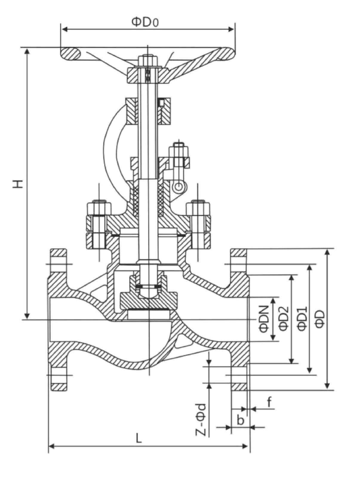
Main external and connection dimension JB/T79.1-1994
JB/T79.2-1994
公称压力 PN(MPa) | 公称通径 DN(mm) | 尺寸Size(mm) | 重量 Weight(Kg) | |||||||||
L | D | D1 | D2 | D6 | b-f | f2 | Z-Φd | H | D0 | |||
1.6 | 10 | 130 | 90 | 60 | 40 | / | 14-2 | / | 4-14 | 198 | 120 | 4.7 |
15 | 130 | 95 | 65 | 45 | / | 14-2 | / | 4-14 | 218 | 120 | 5.2 | |
20 | 150 | 105 | 75 | 55 | / | 14-2 | / | 4-14 | 230 | 140 | 7.1 | |
25 | 160 | 115 | 85 | 65 | / | 14-2 | / | 4-14 | 240 | 160 | 7.4 | |
32 | 180 | 135 | 100 | 78 | / | 16-2 | / | 4-18 | 250 | 180 | 8.5 | |
40 | 200 | 145 | 110 | 85 | / | 16-3 | / | 4-18 | 262 | 200 | 12.5 | |
50 | 230 | 160 | 125 | 100 | / | 16-3 | / | 4-18 | 280 | 240 | 19.2 | |
65 | 290 | 180 | 145 | 120 | / | 18-3 | / | 4-18 | 327 | 280 | 26.5 | |
80 | 310 | 195 | 160 | 135 | / | 20-3 | / | 8-18 | 355 | 280 | 29 | |
100 | 350 | 215 | 180 | 155 | / | 20-3 | / | 8-18 | 415 | 320 | 41 | |
125 | 400 | 245 | 210 | 185 | / | 22-3 | / | 8-18 | 460 | 360 | 57 | |
150 | 480 | 280 | 240 | 210 | / | 24-3 | / | 8-23 | 510 | 400 | 86.5 | |
200 | 600 | 335 | 295 | 265 | / | 26-3 | / | 12-23 | 588 | 400 | 140 | |
250 | 650 | 405 | 355 | 320 | / | 30-3 | / | 12-25 | 725 | 450 | 220 | |
300 | 750 | 460 | 410 | 375 | / | 30-4 | / | 12-25 | 925 | 500 | 325 | |
350 | 850 | 520 | 470 | 435 | / | 34-4 | / | 16-25 | 1030 | 600 | 590 | |
400 | 950 | 580 | 525 | 485 | / | 36-4 | / | 16-30 | 1170 | 700 | 750 | |
450 | 1050 | 640 | 585 | 545 | / | 40-4 | / | 20-30 | 1220 | 800 | 89 | |
500 | 1150 | 705 | 650 | 608 | / | 44-4 | / | 20-34 | 1410 | 900 | 1225 | |
600 | 1350 | 840 | 770 | 718 | / | 48-5 | / | 20-41 | 1610 | 1000 | 2200 | |
2.5 | 10 | 130 | 90 | 60 | 40 | / | 16-2 | / | 4-14 | 198 | 120 | 4.9 |
15 | 130 | 95 | 65 | 45 | / | 16-2 | / | 4-14 | 218 | 120 | 5.4 | |
20 | 150 | 105 | 75 | 55 | / | 16-2 | / | 4-14 | 258 | 140 | 7 | |
25 | 160 | 115 | 85 | 65 | / | 16-2 | / | 4-14 | 275 | 160 | 7.4 | |
32 | 180 | 135 | 100 | 78 | / | 18-2 | / | 4-18 | 280 | 180 | 8.5 | |
40 | 200 | 145 | 110 | 85 | / | 18-3 | / | 4-18 | 330 | 200 | 12.5 | |
50 | 230 | 160 | 120 | 100 | / | 20-3 | / | 4-18 | 350 | 240 | 20 | |
65 | 290 | 180 | 145 | 120 | / | 22-3 | / | 8-18 | 400 | 280 | 29 | |
80 | 310 | 195 | 160 | 135 | / | 22-3 | / | 8-18 | 355 | 280 | 32 | |
100 | 350 | 230 | 190 | 160 | / | 24-3 | / | 8-23 | 415 | 320 | 45 | |
125 | 400 | 270 | 220 | 188 | / | 28-3 | / | 8-25 | 460 | 360 | 63 | |
150 | 480 | 300 | 250 | 218 | / | 30-3 | / | 8-25 | 510 | 400 | 90 | |
200 | 600 | 360 | 310 | 278 | / | 34-3 | / | 12-25 | 710 | 400 | 160 | |
250 | 650 | 425 | 370 | 332 | / | 36-3 | / | 12-30 | 786 | 450 | 240 | |
300 | 750 | 485 | 430 | 390 | / | 40-4 | / | 16-30 | 925 | 500 | 390 | |
350 | 850 | 550 | 490 | 448 | / | 44-4 | / | 16-34 | 1030 | 600 | 650 | |
400 | 950 | 610 | 550 | 505 | / | 48-4 | / | 16-41 | 1170 | 700 | 820 | |
450 | 1050 | 660 | 600 | 555 | / | 50-4 | / | 20-34 | 1220 | 800 | 960 | |
500 | 1150 | 730 | 660 | 610 | / | 52-4 | / | 20-41 | 1450 | 900 | 1310 | |
600 | 1350 | 840 | 770 | 718 | / | 56-5 | / | 20-41 | 1810 | 1000 | 2420 | |
4.0 | 10 | 130 | 90 | 60 | 40 | 35 | 16-2 | 4 | 4-14 | 198 | 120 | 4.9 |
15 | 130 | 95 | 65 | 45 | 40 | 16-2 | 4 | 4-14 | 233 | 120 | 5.7 | |
20 | 150 | 105 | 75 | 55 | 51 | 16-2 | 4 | 4-14 | 275 | 140 | 7 | |
25 | 160 | 115 | 85 | 65 | 58 | 16-2 | 4 | 4-14 | 285 | 160 | 8.8 | |
32 | 180 | 135 | 100 | 78 | 66 | 18-2 | 4 | 4-18 | 302 | 180 | 11.8 | |
40 | 200 | 145 | 110 | 85 | 76 | 18-3 | 4 | 4-18 | 355 | 200 | 16.5 | |
50 | 230 | 160 | 125 | 100 | 88 | 20-3 | 4 | 4-18 | 373 | 240 | 24 | |
65 | 290 | 180 | 145 | 120 | 110 | 22-3 | 4 | 8-18 | 408 | 280 | 33 | |
80 | 310 | 195 | 160 | 135 | 121 | 22-3 | 4 | 8-18 | 436 | 320 | 44 | |
100 | 350 | 230 | 190 | 160 | 150 | 24-3 | 4.5 | 8-23 | 480 | 360 | 60 | |
125 | 400 | 270 | 220 | 188 | 176 | 28-3 | 4.5 | 8-25 | 558 | 400 | 89 | |
150 | 480 | 300 | 250 | 218 | 204 | 30-3 | 4.5 | 8-25 | 611 | 400 | 98 | |
200 | 600 | 375 | 320 | 282 | 260 | 38-3 | 4.5 | 12-30 | 720 | 400 | 190 | |
250 | 650 | 445 | 385 | 345 | 313 | 42-3 | 4.5 | 12-34 | 665 | 500 | 265 | |
300 | 750 | 510 | 450 | 408 | 364 | 46-4 | 4.5 | 16-34 | 720 | 550 | 430 | |
350 | 850 | 570 | 510 | 465 | 422 | 52-4 | 5 | 16-34 | 860 | 600 | 715 | |
400 | 950 | 655 | 585 | 535 | 474 | 58-4 | 5 | 16-41 | 1010 | 700 | 900 | |
450 | 1050 | 680 | 610 | 560 | 524 | 60-4 | 5 | 20-41 | 1190 | 800 | 1440 | |
500 | 1150 | 755 | 670 | 612 | 576 | 62-4 | 5 | 20-48 | 1260 | 900 | 2660 | |
Note:Electric or gear drive,the price extra.



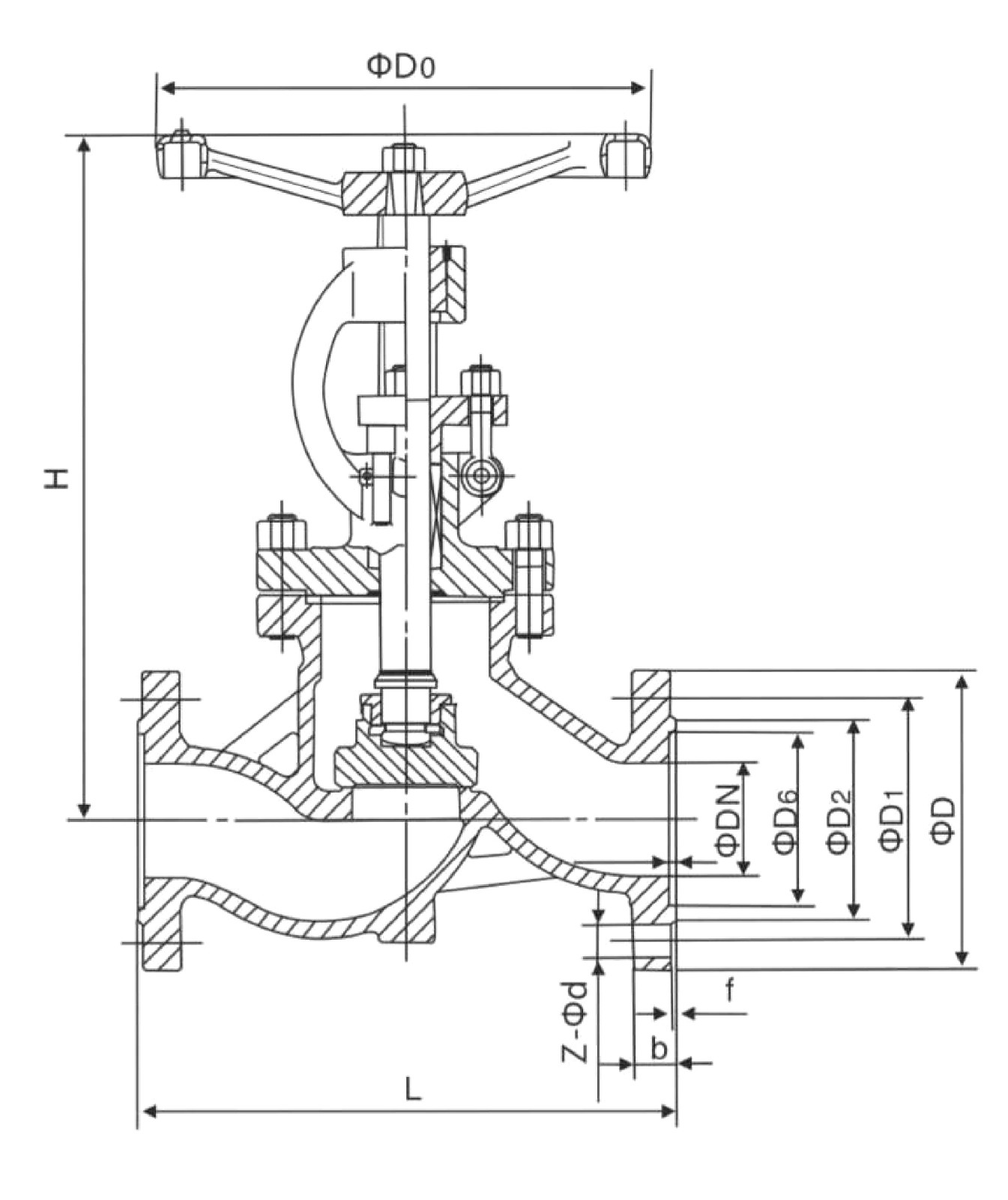
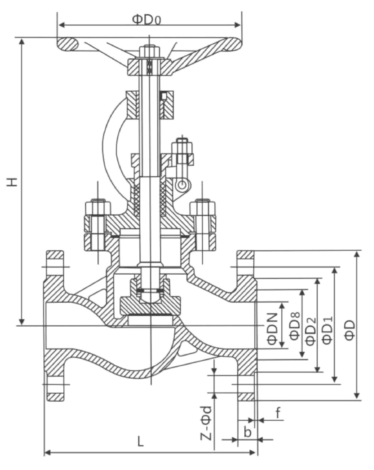
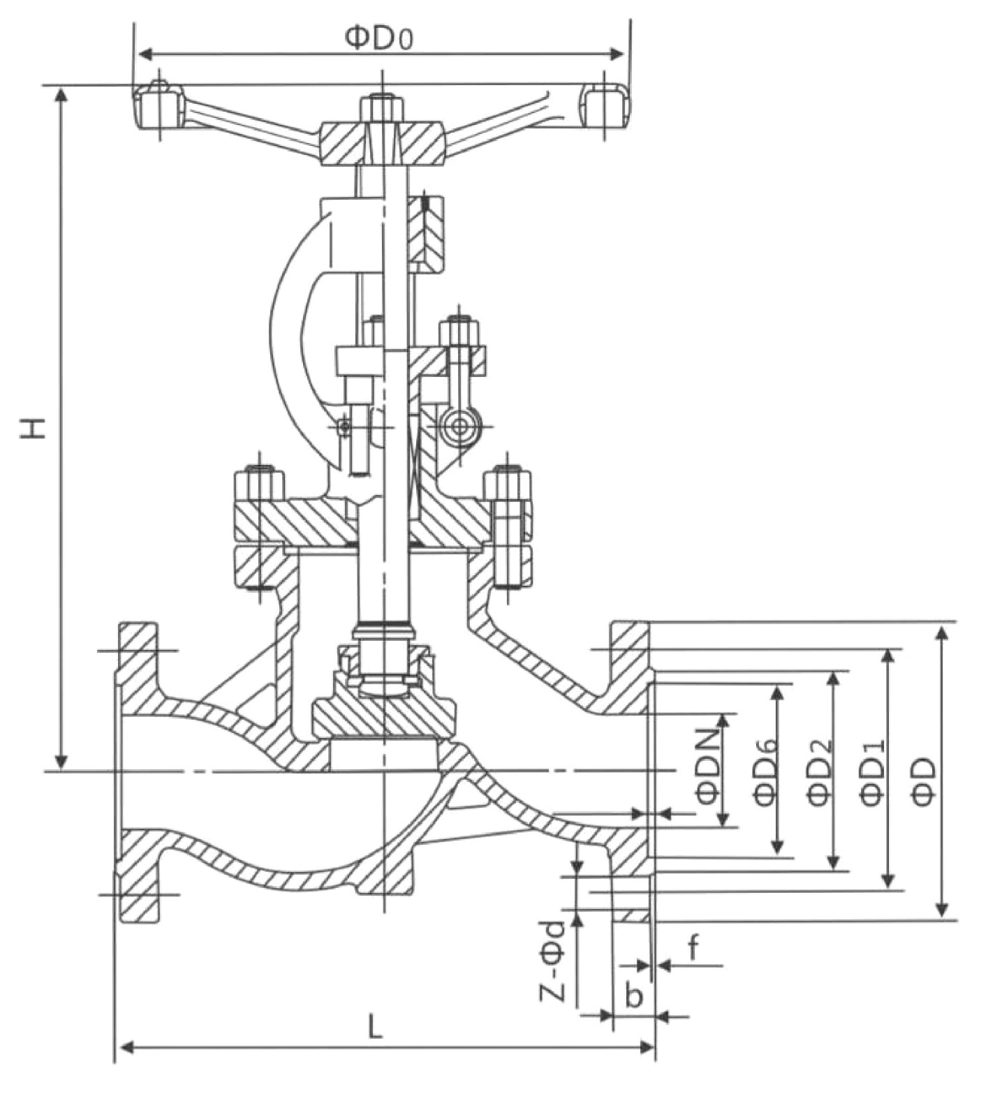
Main external and connection dimension JB/T79.4-1994
JB/T79.2-1994
公称压力 PN(MPa) | 公称通径 DN(mm) | 尺寸Size(mm) | 重量 | ||||||||||
L | D | D1 | D2 | D6 | D8 | b-f | f2 | Z-φd | H | D0 | |||
6.3 | 10 | 170 | 100 | 70 | 50 | 35 | 18-2 | 4 | 4-14 | 198 | 120 | 5.7 | |
15 | 170 | 105 | 75 | 55 | 40 | / | 18-2 | 4 | 4-14 | 195 | 140 | 10 | |
20 | 190 | 125 | 90 | 68 | 51 | / | 20-2 | 4 | 4-18 | 228 | 160 | 13 | |
25 | 210 | 135 | 100 | 78 | 58 | / | 22-2 | 4 | 4-18 | 275 | 180 | 14.5 | |
32 | 230 | 150 | 110 | 82 | 66 | / | 24-2 | 4 | 4-23 | 325 | 200 | 19 | |
40 | 260 | 165 | 125 | 95 | 76 | / | 24-3 | 4 | 4-23 | 360 | 240 | 25 | |
50 | 300 | 175 | 135 | 105 | 88 | / | 26-3 | 4 | 4-23 | 410 | 280 | 35 | |
65 | 340 | 200 | 160 | 130 | 110 | / | 28-3 | 4 | 8-23 | 450 | 320 | 48 | |
80 | 380 | 210 | 170 | 140 | 121 | / | 30-3 | 4 | 8-23 | 485 | 360 | 56 | |
100 | 430 | 250 | 200 | 168 | 150 | / | 32-3 | 4.5 | 8-25 | 537 | 400 | 70 | |
125 | 500 | 295 | 240 | 202 | 176 | / | 36-3 | 4.5 | 8-30 | 631 | 400 | 100 | |
150 | 550 | 340 | 280 | 240 | 204 | / | 38-3 | 4.5 | 8-34 | 646 | 450 | 152 | |
200 | 650 | 405 | 345 | 300 | 260 | / | 44-3 | 4.5 | 12-34 | 813 | 500 | 283 | |
250 | 775 | 470 | 400 | 352 | 313 | / | 48-3 | 4.5 | 12-41 | 985 | 550 | 462 | |
300 | 900 | 530 | 460 | 412 | 364 | / | 54-4 | 4.5 | 16-41 | 1214 | 600 | 885 | |
350 | 1025 | 595 | 525 | 475 | 422 | / | 60-4 | 5 | 16-41 | 1432 | 650 | 1554 | |
400 | 1150 | 670 | 585 | 525 | 474 | / | 66-4 | 5 | 16-48 | 1650 | 700 | 1850 | |
10.0 | 10 | 170 | 100 | 70 | 50 | / | 35 | 20-2 | / | 4-14 | 198 | 120 | 6 |
15 | 170 | 105 | 75 | 55 | / | 45 | 20-2 | / | 4-14 | 202 | 140 | 11 | |
20 | 190 | 125 | 90 | 68 | / | 50 | 22-2 | / | 4-18 | 228 | 160 | 13.2 | |
25 | 210 | 135 | 100 | 78 | / | 65 | 24-2 | / | 4-18 | 250 | 180 | 14 | |
32 | 230 | 150 | 110 | 82 | / | 75 | 24-2 | / | 4-23 | 326 | 220 | 15 | |
40 | 260 | 165 | 125 | 95 | / | 85 | 26-3 | / | 4-23 | 359 | 240 | 29 | |
50 | 300 | 195 | 145 | 112 | / | 110 | 28-3 | / | 4-25 | 414 | 280 | 49 | |
65 | 340 | 220 | 170 | 138 | / | 115 | 32-3 | / | 8-25 | 434 | 320 | 65 | |
80 | 380 | 230 | 180 | 148 | / | 145 | 34-3 | / | 8-25 | 547 | 400 | 95 | |
100 | 430 | 265 | 210 | 172 | / | 145 | 38-3 | / | 8-30 | 621 | 450 | 115 | |
125 | 500 | 310 | 250 | 210 | / | 175 | 42-3 | / | 8-34 | 732 | 450 | 149 | |
150 | 550 | 350 | 290 | 250 | / | 205 | 46-3 | / | 12-34 | 840 | 500 | 310 | |
200 | 650 | 430 | 360 | 312 | / | 265 | 54-3 | / | 12-41 | 925 | 550 | 590 | |
250 | 775 | 500 | 430 | 382 | / | 320 | 60-3 | / | 12-41 | 1155 | 600 | 991 | |
300 | 900 | 585 | 500 | 442 | / | 375 | 70-4 | / | 16-48 | 1340 | 700 | 1361 | |
16.0 | 15 | 170 | 100 | 75 | 52 | / | 35 | 24-2 | / | 4-18 | 148 | 140 | 12.2 |
20 | 190 | 130 | 90 | 62 | / | 45 | 26-2 | / | 4-23 | 156 | 160 | 15 | |
25 | 210 | 140 | 100 | 72 | / | 50 | 28-2 | / | 4-23 | 125 | 180 | 17 | |
32 | 230 | 165 | 115 | 85 | / | 65 | 30-2 | / | 4-25 | 200 | 200 | 21.4 | |
40 | 260 | 175 | 125 | 92 | / | 75 | 32-3 | / | 4-27 | 231 | 240 | 32 | |
50 | 300 | 215 | 165 | 132 | / | 95 | 36-3 | / | 8-25 | 262 | 250 | 52 | |
65 | 340 | 245 | 190 | 152 | / | 110 | 44-3 | / | 8-30 | 303 | 320 | 69 | |
80 | 380 | 260 | 205 | 168 | / | 130 | 46-3 | / | 8-30 | 341 | 400 | 98 | |
100 | 430 | 300 | 240 | 200 | / | 160 | 48-3 | / | 8-34 | 485 | 450 | 119 | |
150 | 550 | 390 | 318 | 270 | / | 190 | 74-3 | / | 12-41 | 630 | 550 | 446 | |
200 | 650 | 480 | 400 | 345 | / | 205 | 78-3 | / | 12-48 | 775 | 700 | 930 | |
Note:Electric or gear drive,the price extra.