APIGLOBE VALVE
We adhere to customer-oriented principles and drive innovation through technology, providing comprehensive services from product selection to technical consultation, helping enterprises enhance steam system efficiency and create greater value.
Detailed Introduction
APIGLOBE VALVE


Products overview
American standard cut-off valve mainly include API and ASME standard,ASTM,ASTM material standard,not the standard valve itself;According to the American standard design,manufacturing,production,testing,the cut-off valve American standard cut-off valve.
Product advantages
1.The fluid resistance is small,its resistance coefficient with section of equal length.
2.Simple structure,smal volume,light weight
3.Compact and reliable,the gate valve sealing surface of materials widely used plastic,sealing is good,have been widely used in the vacuum system.
4.Easy to operate,open and dose quickly,from open to close just rotate 90°,is advantageous for the remote control.
5.Easy maintenance structure is simple,sealing ring,which generally remove replacement is more convenient 6.In the fully open or fully closed,the valve body and seat sealing surface and the dielectric isolation,medium through,does not cause the valve sealing surface erosion.
7.Applicable scope is wide,size from small to several millimeters,big to a few meters,from high vacuum to high pressure can be applied,the ball rotate 90 degrees,in the inlet and outlet should be completely present spherical,thereby cutting flow.
Standard
计与制造 | 结构长度 | 法兰尺寸 | 对焊连接尺寸 | 压力-温度 | 试验-检验 |
ANSI B16.34 BS1873 | ANSI B16.10 | ANSI B16.5 | ANSI B16.25 | ANSI B16.34 | API598 |
Pressure test
公称压力PN(Lb) | 强度试验 | 水密封试验 | 气密封试验 | |||
MPa | Lbf/in2 | MPa | Lbf/in2 | MPa | Lbf/in2 | |
150 | 3.0 | 430 | 2.2 | 315 | 0.4-0.7 | 60-100 |
300 | 7.7 | 1110 | 5.7 | 815 | ||
600 | 15.3 | 2220 | 11.3 | 1630 | ||
900 | 23.0 | 3330 | 17.0 | 2445 | ||
1500 | 38.4 | 5560 | 28.2 | 4080 | ||
2500 | 64.0 | 9255 | 47.0 | 6790 | ||
Major parts material and the performance
体盖 | 阀杆 | 密封面 | 垫片(环) | 填料 | 工作温度 | 适用介质 |
WCB | 2Cr13 | CF8/13Cr/STL 本体材料/尼龙 | 增强柔性石墨13Cr/柔性石墨SFB-2 08软钢F304 F316 F304LF316L | 柔性石墨 | ≤425 | 水蒸汽油品 |
WC1 | 38CrMoAl | ≤425 | ||||
WC6 | ≤540 | |||||
WC9 | ≤570 | |||||
C5 C12 | ≤540 | |||||
CF8 | F304 | ≤200 | 硝酸醋酸尿素 | |||
CF8M | F316 | |||||
CF3 | F304L | |||||
CF3M | F316L |
Note:Electric or gear drive,the price extra.
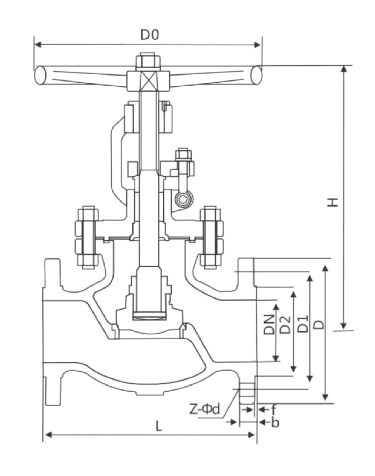
Main dimensions and weight
DN | 150Lb凸面法兰(RF)主要尺寸(mm) | 重量 | ||||||||
mm | in | L | D | D1 | D2 | b | N-Φd | H | D0 | |
15 | 1/2 | 108 | 89 | 60.5 | 35 | 11.2 | 4-16 | 241 | 100 | 6.9 |
20 | 3/4 | 117 | 98 | 69.9 | 43 | 12.7 | 4-16 | 241 | 100 | 9.8 |
25 | 1 | 127 | 108 | 79.2 | 51 | 14.2 | 4-16 | 242 | 125 | 13.5 |
32 | 1 1/4 | 140 | 117 | 89 | 63 | 16 | 4-16 | 280 | 160 | 19.5 |
40 | 1 1/2 | 165 | 127 | 98.6 | 73 | 17.5 | 4-16 | 286 | 160 | 28.5 |
50 | 2 | 203 | 152 | 120.7 | 92 | 19 | 4-19 | 368 | 200 | 18 |
65 | 2 1/2 | 216 | 178 | 139.7 | 105 | 22.4 | 4-19 | 387 | 200 | 30 |
80 | 3 | 241 | 190 | 152.4 | 127 | 24 | 4-19 | 411 | 250 | 41 |
100 | 4 | 292 | 229 | 190.5 | 157 | 24 | 4-19 | 454 | 250 | 64 |
125 | 5 | 356 | 254 | 216 | 186 | 24 | 8-22.5 | 455 | 350 | 86 |
150 | 6 | 406 | 279 | 241.3 | 216 | 25.4 | 8-22.5 | 541 | 350 | 113 |
200 | 8 | 495 | 343 | 298.5 | 270 | 28.4 | 8-22.5 | 651 | 450 | 178 |
250 | 10 | 622 | 406 | 362 | 324 | 30.2 | 12-25.4 | 800 | 450 | 270 |
300 | 12 | 698 | 483 | 431.8 | 381 | 32 | 12-25.4 | 1231 | 600 | 350 |
350 | 14 | 787 | 533 | 476.3 | 413 | 35 | 12-29 | 1450 | 600 | 460 |
400 | 16 | 914 | 597 | 539.8 | 470 | 36.6 | 16-29 | 1645 | 600 | 590 |
DN | 300Lb凸面法兰(RF)主要尺寸(mm) | 重量 | ||||||||
mm | in | L | D | D1 | D2 | B | N-φd | H | D0 | |
15 | 1/2 | 152 | 95 | 66.5 | 35 | 14.2 | 4-16 | 241 | 140 | 7.7 |
20 | 3/4 | 178 | 117 | 82.5 | 43 | 16 | 4-19 | 241 | 140 | 11.3 |
25 | 1 | 203 | 123 | 89 | 51 | 17.5 | 4-19 | 283 | 160 | 16.8 |
32 | 1 1/4 | 216 | 133 | 98.5 | 63 | 19 | 4-19 | 320 | 200 | 21.2 |
40 | 1 1/2 | 229 | 155 | 114.3 | 73 | 20.6 | 4-22.5 | 322 | 200 | 32.6 |
50 | 2 | 267 | 165 | 127 | 92 | 22.4 | 8-19 | 399 | 200 | 25 |
65 | 2 1/2 | 292 | 190 | 149.4 | 105 | 25.4 | 8-22.5 | 438 | 250 | 30 |
80 | 3 | 318 | 210 | 168.1 | 127 | 28.4 | 8-22.5 | 464 | 280 | 35 |
100 | 4 | 356 | 254 | 200.2 | 157 | 31.8 | 8-22.5 | 565 | 350 | 56 |
125 | 5 | 400 | 279 | 235 | 186 | 35 | 8-22.5 | 614 | 350 | 96 |
150 | 6 | 444 | 318 | 269.7 | 216 | 36.6 | 12-25.4 | 717 | 400 | 120 |
200 | 8 | 559 | 381 | 330.2 | 270 | 41.2 | 12-25.4 | 930 | 500 | 212 |
250 | 10 | 622 | 444 | 387.4 | 324 | 47.8 | 16-28.5 | 1012 | 550 | 330 |
300 | 12 | 711 | 521 | 450.8 | 381 | 50.8 | 16-32 | 1231 | 600 | 472 |
350 | 14 | 838 | 584 | 514.4 | 413 | 54 | 20-32 | 1450 | 600 | 715 |
400 | 16 | 864 | 648 | 571.5 | 470 | 57.2 | 20-35 | 1645 | 600 | 920 |
DN | 600Lb凸面法兰(RF)主要尺(mm) | 重量 | ||||||||
mm | in | L | D | D1 | D2 | B | N-Φd | H | D0 | |
15 | 1/2 | 165 | 95 | 66.5 | 35 | 14.5 | 4-16 | 285 | 100 | 7.8 |
20 | 3/4 | 190 | 117 | 82.5 | 43 | 16 | 4-19 | 285 | 125 | 12.5 |
25 | 1 | 216 | 124 | 89 | 51 | 17.5 | 4-19 | 313 | 160 | 17.5 |
32 | 1 1/4 | 229 | 133 | 98.5 | 63 | 21 | 4-19 | 328 | 160 | 23.5 |
40 | 1 1/2 | 241 | 156 | 114.3 | 73 | 22.5 | 4-22.5 | 365 | 180 | 38.5 |
50 | 2 | 292 | 165 | 127 | 92 | 33 | 8-19 | 444 | 200 | 35 |
65 | 2 1/2 | 330 | 190 | 149.4 | 105 | 36 | 8-22.5 | 483 | 250 | 50 |
80 | 3 | 356 | 210 | 168.1 | 127 | 39 | 8-22.5 | 533 | 250 | 60 |
100 | 4 | 432 | 273 | 216 | 157 | 45 | 8-25.4 | 622 | 350 | 110 |
125 | 5 | 508 | 330 | 266.7 | 186 | 52 | 8-28.5 | 750 | 350 | 200 |
150 | 6 | 559 | 356 | 292.1 | 216 | 55 | 12-28.5 | 800 | 450 | 230 |
200 | 8 | 660 | 419 | 349.3 | 270 | 63 | 12-32 | 927 | 500 | 410 |
250 | 10 | 787 | 508 | 431.8 | 324 | 71 | 16-35 | 1257 | 600 | 625 |
300 | 12 | 838 | 559 | 489 | 381 | 74 | 20-35 | 1468 | 680 | 860 |